Hallo zusammen,
danke für die Analyse, leider habe ich verkehrt herum gedacht daher kam ich auf den PTC. Im Eingangspost habe ich ja schon darauf hingewiesen, dass ich die Schaltung nicht ganz durchdringe.
Mit der Nachhilfe kann ich das Verhalten nachvollziehen und sehe auch ein dass es an der Stelle ein NTC sein muss.
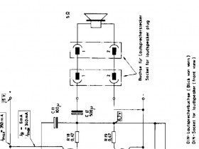
Vielleicht ganz kurz noch was zum Gerät, das sehr wenig Bass hat. Also ich will ja keinen Fassbass, aber es klingt halt etwas flach. Wenn ich da gerne etwas mehr Bass hätte, der Regler funktioniert prima, dann müsste ich doch den C4 etwas vergrößern. Wäre da 0,22µ ein passender Ersatz?
Grüße
Albrecht
									
									
								danke für die Analyse, leider habe ich verkehrt herum gedacht daher kam ich auf den PTC. Im Eingangspost habe ich ja schon darauf hingewiesen, dass ich die Schaltung nicht ganz durchdringe.
Mit der Nachhilfe kann ich das Verhalten nachvollziehen und sehe auch ein dass es an der Stelle ein NTC sein muss.
Vielleicht ganz kurz noch was zum Gerät, das sehr wenig Bass hat. Also ich will ja keinen Fassbass, aber es klingt halt etwas flach. Wenn ich da gerne etwas mehr Bass hätte, der Regler funktioniert prima, dann müsste ich doch den C4 etwas vergrößern. Wäre da 0,22µ ein passender Ersatz?
Grüße
Albrecht
Geht nicht - gibt's doch!
									 
											