Saba 9241 Linker Kanal Rauschen bei Lautstärkenänderung

      Woher 4066 nehmen?

      Im Gehäuse DIL sind die immer schwieriger zu bekommen, auch wenn sie jetzt ON statt Motorola heißen.
      Hier gibt es noch welche, jedoch von Texas Instruments:
      pollin.de/p/texas-instruments-…al-switch-cd4066be-101314
      Soweit ich mich entsinne, sind die auch ganz gut geeignet.
      Wie Michael schon schrieb, je nach Hersteller sind die Daten was unterschiedlich.

      Weiterhin brauchbar erhältlich ist MC14066 als SMD-Version von ON.
      Da muss man dann was frickeln, eventuell Adapter bauen.
      Vermutlich würde ich dafür eine IC-Fassung mit gedrehten Präzisionskontakten nehmen.
      In die Kontakte dünnen Draht stecken und den dann an die Beinchen beim SMD-Gehäuse anlöten.
      Ich dachte schon mal an eine einfache Adapterplatine, ist aber von den Maßen zu knapp.

      Andreas
      Was bedeutet DL2JAS? Amateurfunk, www.dl2jas.com
      Adapterplatine: Das könnte funktionieren, wenn man sie senkrecht stellt und unten beidseitig Lötpads im 2,54-mm-Raster anbringt. Die kann dann so auf ein kleines Stück Universalleiterplatte gelötet werden. Evtl. kann man auch gleich noch eine spezielle Grundplatine konstruieren. Falls Interesse besteht, mach ich mich mal an einen Entwurf.
      **************************************************
      2 + 2 = 5 (für extrem große Werte von 2)
      Klar, das kann man sicher machen (oder genauer: Christian bekommt das hin ... !), aber ich habe leichte Zweifel, ob sich der Aufwand lohnt. Die DIL-Version ist noch einigermassen gut zu bekommen, so um 3 ... 4 Euro pro Stück. Wenn man ein wenig schaut, ergibt sich immer mal die Chance, einen Posten von 20 oder 50 dieser ICs von Motorola an Land zu ziehen. So habe ich das auch gemacht, und seither nur 2 davon gebraucht (die gehen kaputt, aber eher selten ...).

      Besten Gruss,

      Michael
      Christian, machen!

      Das mit 4066 ist jetzt nur ein spezieller Fall, ein Beispiel.
      Der Gedanke mit Adapterplatine sauste mir schon mehrfach für andere ICs durchs Hirn.
      Platzmäßig müsste es gehen, wenn man die SMD-Beinchen senkrecht biegt wie bei DIL.
      Ist zwar eine Bastellösung, sollte jedoch brauchbar sein, kein Drahtigel.
      Ich sah mal eine Adapterplatine mit SMD-Platine senkrecht eingesetzt auf die waagerechte Platine für DIL.
      Da gefällt mir der Aufwand nicht, doppelseitige durchkontaktierte Platine für den SMD-Käfer.

      Andreas
      Was bedeutet DL2JAS? Amateurfunk, www.dl2jas.com
      Michael, ist eng!

      Anbei ein Bild, wie es mit dem Platz aussieht.
      Rechts die beiden Beinchen habe ich senkrecht gebogen, fast schon J-Form.
      Bei DIL hat man zwischen den beiden Reihen einen Abstand von 3/10 Zoll.
      Sind bei DIL die Lötaugen großzügig, werden sie schon vom SMD-IC berührt.
      Biegt man beim SMD-Gehäuse die Beinchen und nimmt für DIL kleinere Lötaugen, sollte es gehen.

      Andreas
      Bilder
      • soic-dil.jpg

        88,45 kB, 600×450, 17 mal angesehen
      Was bedeutet DL2JAS? Amateurfunk, www.dl2jas.com
      Wie wäre es noch damit? Eben in der Bucht entdeckt.

      Auch Andreas' Vorschlag mit den umgebogenen SOP-Beinen lässt sich mit umsetzen. Da würde ich 0.65 mm Bohrungen vorschlagen, oben das Pad dann nur ca. 0.85 mm Durchmesser, damit genügend Platz für das SOP-Package bleibt. Doppelseitig werden die Platinen in jedem Fall, macht beim Fertiger aber keinen Mehraufwand. Ich erstelle bei Gelegenheit mal ein Layout.

      Ich habe selbst ein paar Chips SOT16 herumliegen, die ich gerne als DIL-Variante nutzen möchte.
      Bilder
      • Screenshot_20250109-212624_eBay.jpg

        114,98 kB, 386×538, 12 mal angesehen
      **************************************************
      2 + 2 = 5 (für extrem große Werte von 2)

      Dieser Beitrag wurde bereits 1 mal editiert, zuletzt von „chriss_69“ ()

      Hmm, nein, wohl nicht --- ich hatte nur in meinem Schaltplan geschaut, da stehen MC 14066 BCP drin, und die waren auch bisher in allen meinen Geräten drin. Aber es gibt auch die andere Version. Muss mal sehen, ob ich davon auch welche habe ...

      Pinbelegung ist anders, die Beschattung ist auch nicht gleich ... ich habe irgendwo noch welche, aber finde sie gerade nicht. Suche noch ...

      Michael

      Dieser Beitrag wurde bereits 1 mal editiert, zuletzt von „kugel-balu“ ()

      Ja, leider ist der SD 5000 N deutlich schwerer zu einem guten Preis zu bekommen ... zwei habe ich noch. Derzeit schaue ich mal, ob ich noch welche zu einem passablen Preis finde ... natürlich gibt es Angebote aus China, aber das werden wieder eher keine Originale sein, sondern u.U. Nachbauten mit irgendwelchen Daten ..

      Michael
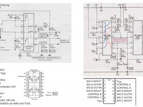
      Anbei ein Vergleich der beiden Werksvarianten und ein Quick-And-Dirty-Simulationstest mit einem Mosfet 2N7002. Das könnte man zum Laufen bringen.
      Bilder
      • SD5000_vs_4066.JPG

        155,07 kB, 1.411×808, 5 mal angesehen
      • SD5000_vs_4066_Simul.JPG

        139 kB, 1.342×756, 5 mal angesehen
      **************************************************
      2 + 2 = 5 (für extrem große Werte von 2)
      Aufpassen mit 2N7000 oder 2N7002 als SMD-Variante!

      Die Idee hatte ich auch schon, nebenbei, 2N7000 ist (nahezu) identisch mit BS170.
      Legt man Gate auf 0 Volt, ist Drain zu Source in der Gegend min 50 MΩ, reicht häufig.
      Hat man jedoch eine Last von 50 kΩ, kommt das eigentlich gesperrte Signal mit -60 dB durch.
      Wie es bei negativer Gatespannung aussieht, gibt das Datenblatt nicht her.
      FETs J111 bis J113 sind tauglich, 60 dB besser, allerdings sperrend mit -10 V am Gate.

      Andreas
      Was bedeutet DL2JAS? Amateurfunk, www.dl2jas.com
      Der in dieser Anwendung genutzte Anlaufbereich im Ausgangskennlinienfeld ( Uds schwankt einige 100 mV um den Nullbereich) ist bei beiden Bauteilgruppen vorhanden, auch beidseitig von Null Volt. J-FETs wie z. B. J111-113 sind prinzipiell geeignet.
      Das geht aber leider nicht ohne Änderung der Peripherieschaltung. Damit sie sich im leitenden Bereich befinden, benötigen sie ca. 0 Volt zwischen Gate und Source. Steigt die Spannung über ca. 0,6 Volt, beginnt die Gate-Source-Diode zu leiten, statt des AC-Signals erscheint nur noch Gleichspannung vom Gate am Ausgang.

      Die Enhancement-N-MOS des CD5000N werden von der bestehenden Schaltung mit + 4,5 Volt Ugs angesteuert. Sollen die N-Kanal-J-FETs funktionieren, müssen die Zenderdioden D2248/2258 mit 11V- oder 12-V-Exemplaren getauscht werden. Dann kommt man mit -8,2 Volt auch näher an die von Andreas erwähnte wünschenswerte Spannung für den gesperrten Zustand.
      Für J-FETs spricht neben dem besseren Off-Verhalten wohl auch das niedrigere Rauschen. Inwieweit die Ausgangskurven im Anlaufbereich linear verlaufen, vermag ich nicht zu sagen. Die J-FETs müssen da nicht zwangsläufig besser sein.

      Viele Grüße,
      Christian
      **************************************************
      2 + 2 = 5 (für extrem große Werte von 2)

      Dieser Beitrag wurde bereits 5 mal editiert, zuletzt von „chriss_69“ ()

    • Benutzer online 4

      4 Besucher