Loewe Opta Globus 53 neues Projekt

      Loewe Opta Globus 53 neues Projekt

      Nachdem ich nun mein Saba Villingen soweit fertig habe, beginne ich das nächste Projekt. Ich hoffe das geht hier im Saba Forum auch. Als erstes meine Frage, hat bei dem Globus das magische Auge, EM4 noch eine andere Funktion als die Abstimmanzeige. Die fehlt bei meinem Radio ist ist nur schwer oder zu horrenden Kosten zu bekommen.

      Dann folgendes. Auf dem ersten Bild ist ein verschmorter Widerstand zu sehen. Ich kann den auf dem Schaltplan leider nicht finden (Anfängerschwierigkeit). Könnt ihr mir hier weiterhelfen und den identifizieren? Dann habe ich noch einen Kondensator gekennzeichnet. Davon gibt es etliche im Radio. Ist das ein Papierkondensator?

      Gruß
      Franz-Josef
      Bilder
      • 01_IMG_39.jpg

        684,8 kB, 2.016×1.512, 70 mal angesehen
      • IMG_3963.jpg

        205,32 kB, 1.024×768, 64 mal angesehen
      Hallo Franz-Josef

      wie gehts den Villingen 100 , hat das funktioniert was ich schrieb , wegen Lautstärke ??

      So bisi mehr Info wäre schon besser zum Gerät , ich sah grad es giibt 2 oder mehr Versionen zu deinem Gerät , einmal den Loewe Opta Globus 53 W und den WC . Könnte auch mehr sein , ich weiß nicht .

      DAs was Du da als Abrannt des Bauteils bezeichnest , is kein Widerstand ; es ist ein Keramik_Rohrkondensator . Wechseln nur die Papierkondensatoren , vieleicht auch die Elkos überprüfen , wennst was hast zum prüfen ansonsten tauschen .

      Der kaputte Rohrkondenser , ich seh nicht wo der hin geht kannst den dicken 600 Ohm Widerstand zur seite drücken , damit ich seh wo der hin geht . Wo das ein beinchen hingeht seh ich auf Gerhäusemasse .
      Möglich das es ein entstöre Kondenser ist ,... mhmmmm


      Ich mag es wenn andere Forumsmitglieder auch was dazu schreiben können zu den Gerät .



      Laut den Schaltbild könnte ich meinen die EM4 muss bestückt sein , damit das Radiö einen Ton von sich gibt . Kann mich auch irren . :rolleyes:
      Grüße <3 Mia <3

      Dieser Beitrag wurde bereits 6 mal editiert, zuletzt von „Nachteule“ ()

      Lieber Franz-Josef!

      Hier im SABA-Forum dürfen auch mal andere Firmen behandelt werden.
      Dafür wurde damals das Unterforum "Andere Marken" eingerichtet.
      Ich habe das Thema dorthin verschoben.

      Zum vermeintlichen Widerstand, dem Rohrkondensator, hat Mia schon was geschrieben.
      Da muss ernsthaft was passiert sein, wie der aussieht.

      Du fragtest nach dem Kondensator im grünen Kringel.
      Den würde ich wechseln, bei dem wird die Vergussmasse undicht sein.
      Auf der Pertinaxplatte neben dem Widerstand 600 Ω ist noch ein "heißer" Kandidat.
      Aus dem tropfte offensichtlich Teer, auf jeden Fall auswechseln.

      Im Bild sieht man noch mehrere rote Wickelkondensatoren von Siemens, Styros.
      Solche Kondensatoren sind unverdächtig, die also nicht unnötig wechseln.

      Andreas
      Was bedeutet DL2JAS? Amateurfunk, www.dl2jas.com



      [color=#800000 schrieb:

      Ich mag es wenn andere Forumsmitglieder auch was dazu schreiben können zu den Gerät .
      [/color]Laut den Schaltbild könnte ich meinen die EM4 muss bestückt sein , damit das Radiö einen Ton von sich gibt . Kann mich auch irren . :rolleyes:

      Hallo Mia ." Kann mich auch irren" .
      So ist es, die EM4 abeitet nur als ANZEIGE Sytem
      Muss also nicht eingebaut sein
      Gruss hans
      Nachtrag: es ist jetzt sicher neuer Pos
      t der defekte 5nF Keramik-Kondensatorist der in meiem Bild Grau hinterlegte
      Bilder
      • RATIO--&-EM4-.jpg

        19,45 kB, 458×359, 28 mal angesehen

      Dieser Beitrag wurde bereits 4 mal editiert, zuletzt von „decoder“ ()

      Hallo,
      erstmal danke für die Antworten.
      @Nachteule: Dem Villingen geht es gut. Ich habe Deine Tips abgearbeitet und dem Radio auch eine neue ECL82 gegönnt. Der Ton ist jetzt nur noch minimal zu hören, wenn ich den Regler runterdrehe. Aber damit kann ich leben. Das Radio steht jetzt in meinem Büro, macht an 2 Tagen in der Woche 8 Stunden Dauerbetrieb und hat einen tollen Klang.
      Nun zu dem Globus: Es ist die Variante 53W. Unten ein Bild von der Stelle, an der der abgebrannte Kondensator saß, habe ihn rausgenommen. Du siehst noch den Drahtrest. Eine Verbindung scheint zur 'EB41 zu gehen. Irgendwie muss ich natürlich auch rausfinden, warum der abgebrannt ist.
      @DL2JAS: Danke fürs Verschieben, hatte das Unterforum nicht gesehen. Von den Teerkondensatoren sind etliche in dem Gerät, die kommen alle raus. 3 davon waren auch am Netzteil, die habe ich erstmal sofort abgeklemmt. Die Elkos kommen ebenfallsraus, da ich nichts zum Messen habe und natürlich solche, wie ich markiert hatte.
      @decoder: Deine Antwort habe ich nicht so recht verstanden. Du schreibst, die EM4 arbeitet nur als Anzeige, Mia meint, die wäre auch zur Funktion des Radios nötig. Könntet Ihr mir das genauer erklären. Wenn sie notwendig ist muss ich sehen, was ich mache. Ich habe nicht vor, über 100 € dafür auszugeben.
      Bilder
      • IMG_3965.jpg

        509,71 kB, 2.016×1.512, 30 mal angesehen
      Danke für die Antworten. Ich hatte den 5 nF Kondensator nicht als keramischen erkannt. Auf dem Schaltplan ist das, zumindest für mich als Anfänger, etwas verwirrend dargestellt. Das Symbol wird in der Zeichenerklärung als "Tauchw. 350 V" dargestellt. Das hatte ich nicht verstanden.

      Kann ich den als Ersatz nehmen?
      reichelt.de/de/de/shop/produkt…en-modal-image-big-slider

      Gruß
      Franz-Josef

      Dieser Beitrag wurde bereits 1 mal editiert, zuletzt von „Franzel2103“ ()

      Hallo Franz-Josef#
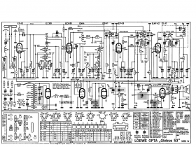
      In diesem Fall aber nur hier, weil ich dor keinen 4,7nF sehe, statt von Dir gezeigten 1nF, den 10nF nehrmen

      Du musst aber noch mehr tauschen . Ich habe in meinem Plan alles grau hinterjet was raus muss .#+
      kommt noch
      Bilder
      • loewe-53-.png

        514,54 kB, 1.000×707, 22 mal angesehen

      Dieser Beitrag wurde bereits 2 mal editiert, zuletzt von „decoder“ ()

      Hallo Hans ,

      Vielen Dank .
      Wegen der EM4 das hab ich nicht erkannt , und auch wie das ganze verschaltet ist , ein sehr frühes UKW Radio , darum schrieb ich kann sein oder auch nicht .

      huhu Franz Josef

      Ich brauche bitte ein ganze Aufnahme vom unteren Teil des Radios , dann kann ich Dir schreiben um was es für Material handelt /Kondensatoren.


      das was ich hier eingezeichnet habe ist der Weg von der Pentode EAF42 zum Eingang der Endröhre EL41 g1 / das ist der Koppelkondensator ist das ein Papierwickel ___tauschen und wenn es ein Keramik_Kondensator ist , drinnen lassen .





      Die anderen zwei Kondensator gekennzeichnet mit Raute , es sind ohne Punkte Sryroflex also nicht tauschen /die mit 2 Punkten sind Papierwickel






      Franzel2103 schrieb:

      Das Symbol wird in der Zeichenerklärung als "Tauchw. 350 V" dargestellt


      ich denke ,... wird wahrscheinlich so sein ,... ist ein Keramlrohrkondensator mit einer Spannungsfesten Beschichtung hmmm. oder nur einfach im Tauchlack getaucht

      ------------------------------------------------------------------------------------------------------------------------------


      Das eine Rot eingekeiste Netzeingang sollen nach heutigen Bestimmung 2200pF max sein , XY Kondensator sein . Schau mal bei Reichelt Entstörkondensator 2200pf 240Volt oder mehr Wechselspannung .
      Du kannst ihn weg lassen oder ersetzen .

      Die 2 Rot eingekeisten Sekuntärwicklung zum Gleichrichter 4700pF 500 V oder mehr zu wechseln . Am besten durch MKP Typen .






      so habe jetz genug , das war eine Arbeit , gute Nacht :sleeping:
      Grüße <3 Mia <3

      Dieser Beitrag wurde bereits 21 mal editiert, zuletzt von „Nachteule“ ()

      Hallo,
      Ihr habt euch ja mächtig ins Zeug gelegt. Vielen Dank. Tauchwachs macht Sinn. Die Dinger fühlen sich auch irgendwie "fettig" an. Raus müssen sie auf jeden Fall. Dann werde ich jetzt mal meine Einkaufsliste fertigmachen. Bin ja mal gespannt ob es mir gelingt, dem alten Kasten Töne zu entlocken.
      Viele Grüße
      Franz-Josef

      Nachteule schrieb:

      Die 2 Rot eingekeisten Sekuntärwicklung zum Gleichrichter 4700pF 500 V oder mehr zu wechseln . Am besten durch MKP Typen .

      Doch noch eine Frage: Welche Funktion haben die beiden Kondensatoren auf der Sekundärseite des Netzteils? Bei meinem Villingen war da auch einer (C51). Den habe ich einfach weggelassen da ich dachte, dass wäre einer von den heute überflüssigen Kondensatoren gegen Störungen aus dem Netz.
      Franz-Josef

      Dieser Beitrag wurde bereits 1 mal editiert, zuletzt von „Franzel2103“ ()

      reddit.com/r/AskElectronics/co…_capacitor_between/?tl=de

      Ich würde den Kondensator wieder bestücken bei deinen Villingen 100 , auch den Löwe .
      Scheint mir logisch zu sein hmmm .

      Ich wusste es auch nicht was der oder die beiden Kondensatoren machen soll .
      Da keiner was schreiben will , habe ich mich im Inet bemüht .
      Mein Paps ist nimmer und zu anderen hab ich keinen Kontakt oder schon verstorben , denen ich fragen könnte ;(.


      hier hab ich ein bSp , mein Siemens Arioso sind primär Netz XY Kondensatoren .Sekundär gabs auch einen XY , hab kein Bild vom Neuen .


      Wo man diese Keramik_Kondensatoren noch kaufen kann . ich hab keine Ahnung , scheint ziemlich dünn angesiedelt zu sein .



      Grüße <3 Mia <3

      Dieser Beitrag wurde bereits 5 mal editiert, zuletzt von „Nachteule“ ()

      Guten Tag zusammen,

      Die beiden Kondensatoren sollen die Anfälligkeit für Brummmodulation verringern bzw. beseitigen.
      Diese Brummmodulation kann beim Empfang von starken Sendern dadurch auftreten, dass das Lichtnetz als Antenne wirkt, die über die Gleichrichterstrecke(n) jeweils im leitenden Zustand auf den Empfänger geschaltet wird.
      (Aus: Lehrbuch der Funkempfangstechnik, DipI.Ing H. Pitsch, Akademische Verlagsanstalt, Leipzig 1964, 4. Auflage, S.893 u. S.910)
      Dies Problem taucht, wenn überhaupt, bei AM auf. Aufgrund des Mangels an kräftigen AM-Sendern sollte das Problem heutzutage nicht mehr auftreten, ich selbst habe es noch in den 70-ern sehr schön am DKE nachstellen können.
      Aus meiner Sicht spricht daher nichts für ein Erneuern der C´s, im Gegenteil es verbessert die Betriebssicherheit, wenn sie wegfallen; einfach einpolig abtrennen und isolieren, gut ist´s (ein Teil, das fehlt, geht nie kaputt).

      Viele Grüße
      Siegbert
      Guten Morgen,

      müssen das dann XY-Kondensatoren sein?
      Auf jeden Fall werde ich die, wenn überhaupt, erst ganz zum Schluss wechseln wenn ich sicher bin, dass das Gerät funktioniert. Einseitig abgeklemmt habe ich sie erstmal.

      Diese Woche kommt meine Materiallieferung aus dem ATR-Shop und dann gehts an die Arbeit. Einige Kondensatoren waren mit 750V Spannung angegeben. Ich habe da die 630V Variante bestellt, da 750V bzw. 1000V nicht verfügbar war. Geht doch sicher auch oder? Mehr als 630V treten doch sicher auch beim Einschalten nicht auf oder?
      Gruß
      Franz-Josef

      Dieser Beitrag wurde bereits 1 mal editiert, zuletzt von „Franzel2103“ ()

    • Benutzer online 2

      2 Besucher