GRUNDIG ST 2000 Tuner mit mysteriösem Fehler

      GRUNDIG ST 2000 Tuner mit mysteriösem Fehler

      Hallo Forenfreunde,

      diese Tage stand ein Grundig Tuner ST 2000 mit einem m.E. ungewöhnlichen Fehler auf meinem Tisch. Michael (kugel-balu) hatte ihn mir anvertraut, vielleicht könnte ich die Ursache finden und beheben?

      Ich rücke besser gleich mit dem Ergebnis raus, ich konnte den Fehler bestätigen, aber die Ursache konnte ich nicht finden. Dennoch konnte ich den Fehler selbst beheben. Wie geht denn das? Genau drüber möchte ich berichten.

      Vielleicht kann mir einer von Euch den Tip geben, was ich denn evtl. übersehen habe, das letztlich die wahre Ursache gewesen sein könnte?



      Ende gut...so sieht er aus, der ST 2000:
      Frei nach Wilhelm Busch: "Drei Wochen war der Frosch so krank! Jetzt spielt er wieder, Gott sei Dank!"





      Zunächst ein Versuch der Einordnung zum Grundig Tuner ST 2000, ein Gerät der 50 mm slim-line Serie (ca. 1981?)

      Er wurde hier im Forum mal kurz erwähnt. Hans (decoder) hatte dazu auch etwas geschrieben.
      GRUNDIG SV2000 Verstärker

      Hochwertig gebaut, wie der "grössere Bruder" ST 6000, gegenüber dem sich der ST 2000 empfangs- und klangmässig nicht zu verstecken braucht. Er ist - anders als der Mikroprozessor-gesteuerte und mit Synthesizer ausgestattete ST 6000 mit digitaler Abstimmung, noch analog - aber ohne bei der Empfangsleistung einen Kompromiß einzugehen. Die dafür wesentlichen Baugruppen, UKW-Frontend/Mischteil, ZF-Teil und PLL-Stereo-Dekoder sind in ST 2000 und ST 6000 gleich.

      Zitat (decoder):
      "Beide Linien sind best workmanship!"

      Wie im ST 6000 sitzt die große Platine auch beim ST 2000 in einem Sub-Chassis-Rahmen, den man aus der Gehäusewanne leicht herausheben kann und dann an die Lötseite der Hauptplatine mühelos herankommt, so wie auch beim GRUNDIG SXV 6000 Vorverstärker, zu dem er - wie auch der ST 6000 - mit seiner flachen gleichen Bauform perfekt passt. Das macht den Zugang einfach, will man an die Lötseite. Auch die abgeschirmten Module, wie UKW-Frontend/Mischteil (von Grundig immer "Spulensatz" genannt) und ZF-Teil sind nur gesteckt und mit je zwei Schrauben fixiert. Man kommt auch dort ans Innere ohne etwa das Skalenseil abnehmen zu müssen.


      Was war das Wehwehchen - der mysteriöse Fehler mit der immer noch nicht aufgeklärten eigentlichen Ursache?

      In der Praxis praktisch kein nutzbarer "UKW-Empfang" mehr, höchstens viel zu schwach einige Sender, natürlich auch nicht in Stereo und ausserdem noch bei "falscher Empfangsfrequenz".
      Ein auf 94 MHz vom Messsender gesendetes Signal taucht äusserst schwach bei 90 MHz auf der Tuner-Frequenzskala auf.

      Die Abstimmspannung von 2,84 V (untere Bandgrenze) und 30,0 V (obere Bandgrenze) ist korrekt und kommt am Frontend/Mischteil so richtig an, wenn man auf die beiden Anschläge einstellt.
      Der Skalenzeiger sitzt richtig und deckt den Bereich vom linken bis zum rechten Anschlag richtig ab.

      Daraus habe ich geschlossen, dass möglicherweise ein Fehler am UKW-Oszillator vorliegt, der um ca. 4 MHz zu hoher Frequenz schwingt. Um einen empfangenen Sender wiederzugeben, muss daher auf eine um diesen Frequenzversatz kleinere Empfangsfrequenz am Tuner eingestellt werden, sonst kommt die ZF mit 10,7 MHz im Mischer nicht zustande, und nur diese Frequenz kann die anschliessenden Filter zum/ins ZF-Teil passieren. Natürlich sind in dem Fall Antennenkreis, Vorkreis, Zwischenkreis, Mischerkreis um 4 MHz grob fehlabgestimmt. Da aber diese HF-Kreise breitbandig ausgelegt sind, kann immer noch eine Spur des HF-Sendesignals passieren (im genannten Beispiel: Es "kommt noch eine Spur 94 MHz durch", selbst wenn die HF-Kreise auf 90 MHz eingestellt/abgestimmt sind). Tatsächlich war das der Glücksfall, der gleich auf den Oszillatorkreis gedeutet hat. Hätte ich ich gar nichts vom Meßsender empfangen können, wäre diese Eingrenzung auf den oszillator als den Problembereich, die die weitere Arbeit sehr vereinfacht hat, nicht so schnell möglich gewesen.

      War diese Interpretation richtig, musste trotz falscher (4 MHz zu großer) Frequenz des Oszillatorkreises, ein Abgleich der übrigen HF-Empfangskreise (Antennenkreis, Vorkreis, Zwischenkreis, Mischerkreis, Trennstufen/Puffer-Kreis) die volle Empfangsempfindlichkeit wieder herstellen. Lediglich die Anzeige des Skalenzeigers auf der Frontskala würde nach wie vor noch nicht stimmen. So war es denn auch. Die Frequenz vom Meßsender konnte mit voller Empfindlichkeit unter diesen Umständen empfangen werden. Die Feldstärke-Anzeige des ST 2000 zeigte nun sieben LED-Segmente bei einer HF-Signalstärke von 1 mV und auch Stereo funktionierte wieder einwandfrei.

      Damit war ich überzeugt, dass lediglich der Oszillatorkreis ein "Abstimmproblem" hat und die übrigen HF-Kreise im Frontend/Mischteil sowie das ZF-Teil einwandfrei arbeiten.
      Der "mysteriöse Fehler" ist damit als "simple Fehlabstimmung" des Oszillatorkreises identifiziert (was daran mysteriös ist, kommt noch).

      Zunächst scheint also die Aufgabe trivial: In dem Fall, dass
      a) die Abstimmspannung und dessen Stellbereich stimmen und
      b) der Skalenzeiger korrekt sitzt

      stimmt man auf beste Übereinstimmung mit der Empfangsfrequenz-Skala des Tuners am Oszillatorkreis mit wechselseitigem, mehrfach wiederholtem Abgleich ab. Man stellt mit Skalenzeiger auf Linksanschlag (87,5 MHz) auf die untere Bandgrenze mit dem Spulenkern der Oszillatorkreis-Spule ein (oberes Maximum) und anschliessend mit Skalenzeiger auf Rechtsanschlag (108 MHz) mit dem Kapazitäts-Trimmer auf das obere Bandende 108 MHz. Man wiederholt das, bis hinreichende Übereinstimmung zwischen Senderfrequenz und Skalenzeiger gegeben ist.

      Dieses Verfahren war so (es steht so natürlich auch im Service Manual und ist das Standardverfahren) nicht durchführbar. Lediglich an der Banduntergrenze (87,5 MHz, Linksanschlag Skalenzeiger) war mit dem Spulenkern (Alu-Schraube) der Oszillatorspule der Abgleich möglich. Beim Versuch, mit dem Kapazitätstrimmer anschliessend bei/auf 106 oder 108 MHz (Rechtanschlag) abzugleichen, war bestenfalls eine Annäherung bis auf ca. zwei MHz an die Sollfrequenz möglich. An einem bestimmten maximalen Drehwinkel des Trimmkondensators brach die Empfindlichkeit (der "Empfang") zusammen, ohne sich weiter der Sollfrequenz nähern zu können.

      Die erste Vermutung:
      Der Kondensator-Trimmer ist evtl. fehlerhaft, man kann evtl. mit ihm nicht mehr den vollen Soll-Kapazitäts-Stellbereich nutzen. Denn die volle Kapazität wird genau bei Kongruenz seiner metallisierten Segmente erreicht. Dreht man im gleichen Drehsinn weiter, sinkt die Kapazität wieder. Um das bei zu hoher Frequenz-Schwingen des Oszillators zu korrigieren, muss die Schwingkreiskapazität vergrössert werden. Reicht der C-Stellbereich dazu nicht aus, wird eben nur eine unzureichende Annäherung (nur bis ca. 2 MHz) erreicht.

      Die Messung der Trimmerkapazität soll's klären!
      Also Keramiktrimmer (unverstellt) ausgebaut und dessen Kapazität gemessen: Ergebnis ist 6,6 pF. Im Schaltplan ist für diesen Trimmer (C303) der Soll-Stellbereich genannt: 2-6 pF. Also ist der C-Trimmer des Oszillators in Ordnung.

      Wenn es an notwendiger Kreis-Kapazität im Oszillatorkreis für die Einstellung (= Verringerung) der Oszillatorfrequenz fehlt und der Trimmkondensator in Ordnung ist, kommen noch die Kapazitätsdiode (Varicap) D302 (BB104 BL bzw. BB204 BL) und der Kreiskerko C302 als evtl. fehlerhaft infrage.
      Also D302 ersetzt (Neuteil), C302 ausgelötet und ausgemessen, 4,7 pF korrekt gemessen. Vorsichtshalber auch den Oszillatortransistor (BF240) durch Neuteil ersetzt.

      Ergebnis: Keine Änderung des Verhaltens.

      Kreis-Kerko und Varicap-Diode sind auch einwandfrei.
      Oszillator Transistor ist neu und einwandfrei.


      ...und trotzdem scheint Kreiskapazität zum erfolgreichen Oszillator-Abgleich bei 108 MHz zu fehlen. Das war bis zu diesem Punkt noch eine Arbeitshypothese. Es ging im nächsten Schritt zur praktischen Bestätigung.

      Dazu habe ich Kerkos (oder Kombinationen von zwei Kerkos) mit einer Gesamtkapazität von 0,5 pF; 1,4 pF, 1,9 pF; 2,9 pF und 3,9 pF dem Keramiktrimmer im Oszillatorkreis als Zusatzkapazität parallel gelötet und jeweils erneut Abgleich auf 108 MHz versucht (erforderliche Verbesserung ist 2 MHz):

      0,5 pF: kaum Verbesserung erkennbar
      1,4 pF: leichte Verbesserung um ungefähr 500 kHz
      1,9 pF: deutliche Verbesserung um über 1 MHz
      2,9 pF: Passt! Verbesserung um 2 MHz
      3,9 pF: Kein Empfang mehr feststellbar; alles "tot"?

      Der Idealwert von 2,9 pF wurde mit zwei parallelen Kerkos 1,5 pF // 1,4 pF realisiert.

      Aber es gab noch "einen Haken"!
      Mit Zusatzkapazitäten von > 1,4 pF gab es - besonders am unteren Ende der Empfangsfrequenzen - einen "toten Bereich", in dem kein Sender mehr "empfangen" wurde. Dieser Bereich dehnte sich mit steigender Zusatzkapazität immer weiter nach höheren Empfangsfrequenzen aus, bis bei 3,9 pF Zusatzkapazität das ganze UKW-Band tot schien.

      Mehr oder weniger zufällig habe ich herausgefunden, dass ich das vemeiden kann, wenn ich zusätzlich den Vorwiderstand R305 für die Abstimmspannung direkt vor der Varicap-Diode vergrössere, der lt. Schaltplan 4,7 kOhm hat. Nehme ich stattdessen 6,8 kOhm und die optimale Zusatzkapazität von 2,9 pF, konnte ich zwar noch so abgleichen, dass ich gerade noch auf 88 MHz empfange, aber auf 87,5 MHz ging damit nichts mehr.
      Nach weiterer Erhöhung des Widerstands auf 8,2 kOhm war schliesslich auch guter Empfang noch bei 87,5 MHz möglich, also dann über das ganze Band von 87,5-108 MHz bei guter Empfindlichkeit und in Stereo und jetzt natürlich mit korrekter Skalenanzeige am Tuner.

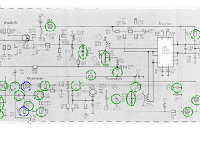
      Überprüfte Teile:
      grün: ausgebaut, gemessen oder durch Neuteil ersetzt und als einwandfrei befunden
      blau: im eingebauten Zustand messen diese Widerstände wegen der Schaltungsumgebung zu niederohmig.
      rot: die eingetragenen Änderungen/Ergänzungen haben den Fehler - in Verbindung mit Neuabgleich - behoben




      Eingriff im Frontend/Mischteil (FM-Oszillatorkreis) zur Fehlerbehebung:




      Ein Feinabgleich der HF-Kreise im Frontend/Mischer wurde abschliessend noch durchgeführt.



      Der Tuner funktioniert jetzt wieder einwandfrei.
      Was ist denn daran überhaupt noch "mysteriös"?

      Mysteriös ist, dass der Oszillatorkreis einen scheinbaren Kapazitätsverlust hatte, ohne dass ein Defekt an kapazitiven Bauteilen des Osillatorkreises und anderer Bauteile (s. Bild) feststellbar war. Ich habe das Symptom durch leichte Erhöhung der Kreiskapazität beseitigen können. Aber die Ursache des aufgetretenen Fehlers erschliesst sich mir nicht. Es war offensichtlich "nichts kaputt".


      Übersehe ich etwas?
      Wer hat eine Erklärung, was da passiert ist?



      Performance nach der Instandsetzung ist hervorragend:

      Frequenzgang UKW stereo, 50 µs Preemphasis, bei 1 mV HF, Hub 40 kHz, Pilottonhub 7,5 kHz: 20 Hz - 15 kHz besser als - 1 dB Abweichung
      THD UKW stereo, 1 kHz, sonst Bedingungen wie vorstehend: THD 0,15 % (< 0,2 % bei f = 20 Hz - 7,5 kHz)
      THD UKW mono, 1 kHz: THD < 0,04 %
      UKW stereo Übersprechdämpfung, Bedingungen wie vorstehend: 40 dB bei 1 kHz, 33 dB bei 10 kHz
      Pilottondämpfung 19 kHz: -60 dB
      Der Rauschteppich liegt sehr tief. Eine Zahlenangabe zum S/N-Abstand kann ich wegen eines 50 Hz Störpeaks aufgrund etwas Einstreuung/Brummeinkopplung, die auf meine Messumstände zurückzuführen sind, hier nicht machen. Nor so viel: Überdurchschnittlich gut!


      Gruß
      Reinhard

      Dieser Beitrag wurde bereits 7 mal editiert, zuletzt von „oldiefan“ ()

      Hallo Andreas,

      der Schaltplanausschnitt um den Oszillator ist oben in meinem Beitrag enthalten. Hast Du übersehen.

      Die Lötungen im Frontend/Mischteilkästchen sind alle in perfektem Zustand, Übergangswiderstände praktisch auszuschliessen.

      Ein denkbarer Übergangswiderstand an der Steckverbindung des Tunerkästchens für die Abstimmspannung kann wegen des Kennlinienverlaufs der Varicap-Diode allenfalls zu einer zu großen Kapazität führen, aber nicht zu einer zu kleinen (C nimmt mit bei der Kapazitätsdiode mit abnehmender Abstimmspannung zu, dadurch die Schwingungsfrequenz proportional zu 1/sqrt C ab). Es müsste dadurch also das gegenteilige Verhalten resultieren: Oszillator schwingt zu tief.

      Der Keramik-Oszillatortrimmer ist überprüft, er hat im Maximum 6,6 pF. Lt. Typangabe im Schaltplan passt das zu den dort genannten 6 pF. Ich hatte ihn ausgebaut, gemessen und neu eingebaut (das schrieb ich oben).

      Gruß
      Reinhard

      Dieser Beitrag wurde bereits 2 mal editiert, zuletzt von „oldiefan“ ()

      Hallo Reinhard,

      ich trage mal Eulen nach Athen: Könnte es doch eine der Varicap-Dioden gewesen sein? Hast du deren Kapazitätskennlinie vs. Sperrspannung geprüft? Ich habe zwar noch nie von einem solchen Fall gehört, aber denkbar wäre schon, dass die Diode noch sperrt, aber nur mehr ein Teil des Dies aktiv ist. Zum Beispiel durch einen Anriss im Die, der sich erst nach einer gewissen Nutzungszeit vollständig ausgebreitet hat.

      Viele Grüße
      Christian
      **************************************************
      2 + 2 = 5 (für extrem große Werte von 2)
      Spannend wie immer, und ein Fall für die echten Experten ... ich war da ratlos. Da ich noch einen ST 2000 hier stehen habe mit demselben Fehlerbild (aber vielleicht einer ganz anderen Ursache ...), bin ich froh, dass Reinhard sich der Sache angenommen hat, denn es scheint ein Fehler zu sein, der ab und an vorkommt. Die ST 2000, bei denen der Drehkondensator noch klappt, sind zu schade zum Entsorgen ...

      Besten Gruss,

      Michael

      chriss_69 schrieb:

      Könnte es doch eine der Varicap-Dioden gewesen sein?


      Hallo Christian,

      die Varicap-Diode des Oszillatorkreises hatte ich durch eine nagelneue ersetzt, ohne Änderung.

      Die übrigen HF-Kreise im Frontend, samt deren Varicap-Dioden konnte ich ausschliessen, da sie sich ganz normal abgleichen liessen und ordentlich / normal funktionierten. Wäre dort was faul gewesen, hätte sich das auch an schlechter Empfindlichkeit zeigen müssen. Die Empfindlichkeit war aber gut.

      Bleibt evtl. noch der Kreis der Trennstufe (Puffer) zwischen Oszillator und Mischer. Der muss synchron mit dem Oszillator laufen. Auch die Varicap-Diode der Trennstufe sah zwar mit dem Diodentester unverdächtig aus, aber wenn deren C-V Kennlinie bei grösserer Abstimmspannung (zum höherfrequenten Bandende) zu steil abfiele, würde ich beim Versuch, den Oszillatorkreis synchron zu stellen, dessen Möglichkeit (Stellbereich) überfordern. Insofern wäre die Varicap Diode der Trennstufe noch nicht sicher aus dem Schneider. Da hast Du einen Punkt.

      Ich gehe jetzt auf den Ausgangspunkt des Fehlerbilds zurück. Ausgangspunkt war:
      Die Meßsenderfrequenz von 94 MHz wurde mit dem Skalenzeiger auf 90 MHz empfangen, d.h. der Oszillator schwang (scheinbar?) um 4 MHz zu hoch. Ich bringe auf den ersten Blick noch nicht zusammen, wie eine fehlerhafte Varicap-Diode im Trennstufenkreis zu einer so falschen Frequenz des Oszillators führen könnte.

      Vielleicht ist es aber nicht so simpel, könnte es so sein? Ein zweiter Blick auf die Sache.
      Mal angenommen, der Oszillator schwang gar nicht um 4 MHz zu hoch, sondern genau richtig auf der Sollfrequenz 90 MHz + 10,70 MHz.
      Zusätzlich angenommen, der Trennstufenkreis war "faul" und lief nicht mehr synchron zum Oszillatorkreis, z.B. weil dort die Varicap-Diode (oder was anderes) defekt ist. Die simple Antwort wäre dann, dass die Oszillatorfrequenz dann gar nicht mehr über die Trennstufe an den Mischer käme. Also nichts mehr zu empfangen.
      Wenn aber noch berücksichtigt wird, dass Oszillator und Trennstufe nicht extrem schmalbandig sind, sondern jeweils eine bestimmte Bandbreite abdecken, könnte es sein, dass sich die Frequenzkurven beider Kreise auch bei defekten Trennstufenkreis noch so weit überlappen, dass im Überlappungsbereich eine stark amplitudengeminderte falsche (4 MHz zu hohe) Oszillatorfrequenz" durch die Trennstufe in den Mischer gelangt? Das ist eine Hypothese. Mir fehlt es an der Erfahrung mit den Bandbreiten der betroffenen Kreise, um abschätzen zu können, ob und wie weit sie realistisch ist. Aber ich kann sie nicht einfach ausschliessen. Einen sehr schwachen Empfang bei 4 MHz zu kleiner Skalenzeigerstellung könnte ich mir jedenfalls auch so erklären.
      Meine Lösung war, dem Oszillatorkreis eine Zusatzkapazität zu spendieren. Damit habe ich dessen Frequenz (gegenüber dem Ausgangszustand) um 4 MHz vermindert und ihn so wieder zum Gleichlauf mit dem Trennstufenkreis gebracht?

      Andererseits...
      Das Endergebnis nach Anbringen der Zusatzkapazität am Oszillatorkreis ist jetzt wieder "normal":
      Im Frontend wird die Senderfrequenz f0 selektiert.
      Der Oszillator ist so abgestimmt, dass er synchron mit f0 + 10,7 MHz schwingt. Andernfalls könnte die ZF 10,7 MHz hinter dem Mischer nicht die ZF-Filter passieren.
      Dafür muss der Trennstufenkreis synchron mit f0 + 10,7 MHz zum Oszillatorkreis laufen und /oder vergleichsweise sehr breitbandig sein. Sonst hätte ich über das ganze UKW-Band keine gleichmässig hohe Empfindlichkeit. Die habe ich aber. Also ist der Trennstufenkreis doch in Ordnung?
      Dazu noch eine Anmerkung:
      Bei Abgleich des Trennstufenkreises mit dessen Kapazitätstrimmer C327 (inzwischen bereits ersetzt, da der eingebaute beim Abgleich mechanisch defekt wurde) bekomme ich ein schwaches Maximum. Aber mit dessen Spulenkern-Abgleich (= Filter zum Mischer) sehe ich kein Maximum. Scheint mir extrem breitbandig zu sein. Oder ist das ein Hinweis darauf, dass dort doch noch was faul ist? Das Trennstufenfilter vor dem Mischer-IC oder sogar der Mischer IC selbst und deshalb will sich mit dem Filter "C" kein ausgeprägtes Maximum einstellen lassen?
      Ich habe leider keinen Vergleich, wie sich der Trennstufenabgleich "normalerweise" in diesem Fall verhalten sollte.

      Christians Kommentar hat meine Aufmerksamkeit auf den Trennstufenkreis gelenkt und anhand des nicht vorhandenen L-Abgleichmaximums auf die Sekundärseite des Trennstufenfilters "C", bzw. den Mischer-IC selbst.

      Die Geschichte ist für mich allerdings immer noch mehrdeutig.
      Aber immerhin gibt es jetzt einen Ansatz (Defekt im Trennstufenkreis?), der damit vereinbar scheint, dass der Oszillatorkreis nicht defekt ist/war.

      Da die Hypothese aber noch zu wackelig ist, möchte ich - nachdem der Tuner nun wieder perfekt arbeitet - möglichst keine Experimente nur auf schwachen Verdacht hin anstellen, die das Ergebnis wieder verschlechtern können oder bei denen was kaputt geht. Nach meiner Erfahrung vertragen weder die Spulenkerne noch die Kapazitätstrimmer viele Einstell-Vorgänge (meine leidvolle Erfahrung) - und die sind hier bei jeder noch so kleinen Veränderung nötig. Erst bei zusätzlichen absichernden Erkenntnissen würde ich noch einen neuen Anlauf starten.

      Gruß
      Reinhard
      Ja, Schaltplanausschnitt im Schnelldurchgang übersehen!

      Oszillatoren sind nicht so ganz mein Spezialgebiet.
      Es gibt eine alte HF-Weisheit, sinngemäß:
      "Verstärker schwingen immer, Oszillatoren nie!"
      Vor wenigen Jahren ärgerte ich mich mal über ein Kurzwellenfunkgerät.
      Das war nicht kommerziell, Einbandgerät CW, gab es als Ami-Bausatz.
      Da war der VFO eine Mimose, allerdings anderes Schaltungskonzept als hier.
      Bei dem war die Mitkopplung kritisch, Schwingung riss was früh ab.

      Soweit ich mich erinnere, kannst Du hochohmig im Oszillator messen, Digioszi.
      Genauer Wert ist nicht so wichtig, es geht eher um die Tendenz.
      Mich interessiert die Amplitude in Abhängigkeit von der Oszillatorfrequenz.
      Mein Verdacht, da hat sich was verschoben, Oszillator eher stabil außerhalb des Sollbereichs.
      Eventuell führst Du die Abstimmspannung extern mit Labornetzteil zu.
      Das im Originalzustand und mit C zusätzlich zu C302 machen.

      Kleiner Tip am Rande für HF-taugliche Cs im Selbstbau!
      Man nehme sich dünnes Antennenkabel wie z.B. RG174.
      Das hat etwa 100 pF pro Meter, also z.B. 3 pF bei 3 cm Länge.
      Kostet nicht viel, schnell eingelötet und schnibbelt man sich je nach Bedarf zurecht.

      Andreas
      Was bedeutet DL2JAS? Amateurfunk, www.dl2jas.com
      Kleine Ergänzung!

      Du hast jetzt den Fokus auf die Trennstufe gelegt.
      Ist nicht mein Verdacht, will ich aber nicht ausschließen.
      Dreht man am Übertrager in der Trennstufe, wird eher die Auskopplung beeinflusst.
      Die Trennstufe sollte schon halbwegs breitbandig sein, keine scharfe Resonanz.
      Miss am Oszillatorausgang, z.B. am Kollektor des BF240.
      Dann zum Vergleich am Ausgang der Pufferstufe, Kollektor vom T314.
      Da aber aufpassen, parasitäre Kapazität des Tastkopfs nicht vernachlässigbar.
      Sonst lieber an IC303 gehen.

      Lade nochmals den Schaltplanausschnitt hoch, diesmal ohne bunte Kringel.
      Die sind was störend, verdecken teilweise die Beschriftung.
      Mit welcher Betriebsspannung läuft der Oszillator?
      Ich nehme an, die kommt über Pin4 rechts im Schaltbild.

      Andreas
      Was bedeutet DL2JAS? Amateurfunk, www.dl2jas.com
      Hallo Andreas,

      es gibt zwar grundsätzlich die Möglichkeit das Frontend/Mischteil als Mess- und Experimentalobjekt zu benutzen, um Erkenntnisse auf weitere Fragestellungen zu gewinnen. Ich hätte auch kein Problem damit, wenn ich in meinem Ersatzteilvorrat einen Satz von Spulen, Filtern oder möglicherweise noch ein solches Teil aus einem Schlachtgerät in der Hinterhand hätte oder wenn eine Robustheit der frequenzbestimmenden Bauteile vorhanden wäre, die sich von den nötigen Manipulationen nicht beeindrucken liessen. Das ist hier nicht uneingeschränkt der Fall. Ich muss jederzeit damit rechnen, dass Spulenkerne oder Plastikträger aufgrund von Versprödung brechen, sich Kerne verkeilen und sonstige Misslichkeiten, die ohne Ersatzteilvorrat fatal sein können. Das Risiko gehe ich ungern ein, wenn (nur) Experimentieren mit Ziel Erkenntnisgewinn dahinter steht. Aus dem vorher genannten Grund möchte ich deshalb das bisher Erreichte nicht wieder über Bord kippen, nur um Messungen am Ausgangszustand zu machen. Ich gehe also bestimmt nicht wieder zurück auf "Start".

      Dein Verdacht "Mein Verdacht, da hat sich was verschoben, Oszillator eher stabil außerhalb des Sollbereichs." ist ja bereits bestätigt.

      Nachtrag: Die Aussage stimmt so nicht, Oszillator schwingt weiter, nur die Feldstärkeanzeige geht auf Null, d.h. ZF kommt nicht mehr.
      Das hatte ich beschrieben.

      Jetzt mit der gewählten Zusatzkapazität zu C302 und der vorgenommenen Erhöhung des Vorwiderstands R305 an der Abstimmspannung für die Varicap-Diode ist der Oszillator wieder stabil. die Feldstärkeanzeige wieder vorhanden.
      Die Antwort auf diese Frage von Dir ist damit bereits klar - was eingeschränkte Stabilität betrifft.
      Meine Fragen dazu ist allerdings: Was hat die eingeschränkte Stabilität verursacht, bzw. was tut man dagegen? Und: Wieso war die Senderfrequenz nur bei 4 MHz kleinerer Einstellung der Empfangsfrequenz (und natürlich nur sehr schwach) zu empfangen? Kommen dafür weitere/andere Erklärungen infrage als die, die ich angenommen hatte? Welche und warum?

      Dass die Trennstufe sehr breitbandig auskoppelt, habe ich am Abgleichverhalten gesehen. Wenn die Sender mit sehr guter Empfindlichkeit empfangen werden, und zwar über das ganze Band hinweg und ich kein (scharfes) Maximum beim Abgleich am Ausgangsfilter der Trennstufe sehe, muss es dort sehr breitbandig zugehen. Die Aussage kann ich auch ohne Messung am "offenen Herzen" so machen. Aber das ist nur qualitativ. Eine tatsächliche Messung, quantitativ, bringt mir nur wirklich zusätzliche Erkenntnis, wenn Vergleichsdaten vorliegen.



      Zusammengefasst zu Deinen Fragen:
      • Ja, es gab Abbruch der ZF-Amplitude Oszillator-Instabilität. Die Instabilität besteht ohne Zusatzkapazität und auch noch abhängig von der Größe der Zusatzkapazität.
      • Selbst mit der "am besten passenden" Zusatzkapazität war Oszillatorstabilität Empfang im Bereich 87,5 MHz bis über 90 MHz Sendefrequenz nicht gegeben. Um die zu erreichen, musste ich den Varicap-Vorwiderstand R305 von 4,7 k auf 8,2 k vergrössern.
      • Das Auskoppelfilter "C" vor dem Mischer-IC ist sehr breitbandig.
      • An PIN 4 des Frontend/Mischteilkästchens für die Spannungsversorgung FM liegen nach Schaltplan +14,9 V an, gmessen +14,87 V.

      Die entscheidende Frage ist...
      Welche Schlußfolgerung daraus hinsichtlich der Ursache?

      Gruß
      Reinhard

      Dieser Beitrag wurde bereits 4 mal editiert, zuletzt von „oldiefan“ ()

      Ich finde jetzt auch mit der Spuleneinstellung an Filter "C" (Trennstufenausgang) ein Maximum.
      Freispruch für Filter "C" und den Trennstufenkreis, denke ich!

      Oszillatorstabilität ist bei Sendefrequenz 87,50 MHz (Einstellung Oszillator für Skalenzeiger Linksanschlag) immer noch etwas grenzwertig kritisch, selbst mit dem 8,2 k Varicap-Vorwiderstand R305.
      Bei 87,40 MHz beginnt - der Feldstärkeanzeige nach zu urteilen - die Oszillatoramplitude kleiner zu werden.
      Bei 87,30 MHz wird der Oszillator dann instabil (flackert), bei 87,20 MHz Sendefrequenz schwingt er gar nicht mehr.

      Nachtrag: Die vorstehende Aussage, dass der Oszillator nicht mehr arbeitet, stimmt nicht, wie sich später herausgestellt hat. Es wird nur keine hinreichende ZF-Amplitude mehr gebildet, so dass die Feldstärkeanzeige auf Null geht. Der Oszillator schwingt aber.

      Ich überlege, ob ich nicht vorsichtshalber R305 auf 10 kOhm erhöhe.
      Wenn bei warmgelaufenem Tuner noch alles wunderbar ist, muss es in der Kälte nicht auch so sein.

      Bis heute hat jeden Tag noch einen kleinen Fortschritt gegeben. :)

      Anekdote:
      Ich habe einen grösseren 2 x 100 W Receiver repariert (Endstufendefekt). Bei mir danach ausgiebig und lange unter Volldampf getestet. Alles wunderbar! Der Eigentümer schickte ihn nach einem halben Jahr wieder. Endstufe wieder kaputt. Kann doch nicht sein! Doch konnte sein. Er betrieb den Receiver als Verstärker für seine Band in seinem ungeheizten Gartenhaus, auch im Winter. Habe ich erst hinterher von ihm erfahren.

      Ich bin halt manchmal naiv, denke an kuschliges Kaminfeuer und warmes Wohnimmer. Da hatte mich die eiskalte Wirklichkeit auch erwischt!

      Gruß
      Reinhard

      Dieser Beitrag wurde bereits 9 mal editiert, zuletzt von „oldiefan“ ()

      Ok, keine unnötigen Experimente!

      Kann ich verstehen, gerade bei Spulen/Filtern, die knacken können.
      Deswegen war mein Vorschlag auch minimalinvasiv gedacht.
      Abstimmspannung extern deshalb, weil man dann einen weiteren Frequenzbereich hinbekommt.
      Gerade im Bereich kleiner 3 Volt ändert sich die Kapazität bei Varicaps stark.

      Mich interessiert schon die tatsächlich gemessene Frequenz, nicht die laut Skala.
      Meist ist bei Radiotunern üblich, daß die Oszillatorfrequenz um 10,7 MHz ZF höher ist.
      Es geht auch anders herum, VFO um 10,7 MHz niedriger.
      Wäre ein lustig Ding, wenn das aus irgendwelchen Gründen hier der Fall ist!

      Mich interessiert die echte Oszillatorfrequenz und ab wann oben und unten die Oszillation abreißt.
      Möglicherweise reißt die nicht direkt ab, kündigt sich mit kleiner werdender Amplitude an.
      Das dann in beiden Fällen, mit und ohne Zusatzkapazität zu C302.
      Gibt es da signifikante Unterschiede, wenn Du mit externer Abstimmspannung < 3 V arbeitest?
      Wenn ja, ist das ein Indiz, das irgendwas im Zusammenhang mit den Varicaps nicht stimmt (Christian).
      Mich wundert, daß der Vorwiderstand für die Varicaps so niedrig ist, ist ja Sperrspannung.
      Zur Schwingkreisgüte kann man schlecht was sagen, allein schon weil Spule A unbekannt ist.
      Je höher die DC-Vorwiderstände an den Varicaps, desto besser die Güte.
      Das mit Änderung R305 könnte dann eine Symptomabmilderung sein, eher nicht die Ursache.
      Ich hatte auch schon Trimm-Cs mit >> 10 Ω Serienwiderstand, Kontaktproblem.

      Andreas
      Was bedeutet DL2JAS? Amateurfunk, www.dl2jas.com

      dl2jas schrieb:

      interessiert schon die tatsächlich gemessene Frequenz, nicht die laut Skala.


      Hallo Andreas,

      so wie von mir bereits geschrieben:
      ZF ist f0 + 10,7 MHz. Ist überprüft.
      f0 ist die genaue Sendefrequenz. Ist nicht von der Tunerskala abgelesen. Wenn ich vom Skalenwert am Tuner spreche, sage ich es ausdrücklich.

      Ich baue zum Prüfen/Messen nicht mehr auf die Ausgangssituation zurück. Nur wenn sich ein hinreichend begründeter Anhaltspunkt für die wahrscheinlich "wahre" Fehlerursache herausgestellt hat, würde ich den dann noch gezielt angehen.

      Jetzige Situation:
      Am unteren Bandende beginnt der Oszillator bei Sendefrequenz < 87,30 MHz scheinbar abzureissen (Abstimmspannung 2,90 V). Das ist ein klein wenig zu früh, 2,84 V sollte eigentlich nach Service Manual für 87,50 MHz gelten, ich habe dann 2,96 V. Wenn ich versuche, 87,50 MHz bei 2,84 V einzustellen, reisst mir der Oszillator scheinbar schon bei ungefähr 88 MHz (oder knapp darunter) Sendefrequenz ab.

      Entferne ich allerdings den Blechdeckel der Tunerbox, habe ich sogar noch bei Sendefrequenz 86,70 MHz (2,83 V) fast die volle Empfangsfeldstärke-Anzeige und auch noch bei 108,25 MHz.
      Tauche ich (bei 87 MHz Sendefrequenz) meinen Finger (ohne Berührung) neben die Oszillatorspule ein, verschwindet die Feldstärkeanzeige, was vermuten lässt, dass die Schwingungsamplitude sehr schwach ist aber ohne Finger noch voll ausreichend für fast volle Feldstärkeanzeige. Schon bei 88 MHz und erst recht darüber ist die Beeinflussbarkeit deutlich geringer.

      Am oberen Bandende reisst der Oszillator scheinbar bei >108,20 MHz ab (Abstimmspannung > 30,6 V).

      Bei 108,0 MHz soll lt. Service Manual die Abstimmspannung 30,0 V betragen, ich messe 30,09 V.

      Warum schreibe ich, dass der Oszillator scheinbar abreisst?
      Er reisst nämlich gar nicht ab, sondern schwingt munter weiter. Das kann ich (bei 87 MHz) mit einem daneben gestellten Kofferradio nachweisen (Oszillatorträger wird weiter empfangen), nachdem ich den Blechdeckel der Tunerbox abgenommen habe (mit Blechdeckel wird die Oszillatorfrequenz sehr effizient abgeschirmt).

      "Scheinbar abreissen" heisst also tatsächlich nur, dass keine ausreichende ZF-Amplitude mehr entsteht, damit also auch die Feldstärkeanzeige schweigt. Der Oszillator schwingt weiterhin.

      Beschneidet der Trennstufenkreis die erreichbare Bandbreite, obwohl der Oszillator noch schwingt?
      Oder ist die empfangene HF Bandbreiten-begrenzt, was doch wieder die anderen vier Varicaps ins Spiel bringt?

      Das "irgendwas mit den Varicaps nicht stimmen könnte", war ja auch mein erster Ansatz, den ich womöglich zu früh wieder zurückgestellt habe. Inzwischen sind wir drei (Christian, Du und ich jetzt auch wieder) auf dieser Spur.
      Der Varicap im Oszillator ist aus dem Spiel, weil er wegen meines anfänglichen Verdachts, dass er der Verursacher sein könnte, gleich ersetzt wurde. Die anderen vier Varicaps sind potentiell noch Verdächtige. Das sehe ich inzwischen auch so.

      Dass die Vergrösserung von R305 zur "Lösung" beigetragen hat, könnte evtl. den Grund darin haben, dass ein defekter anderer Varicap eine zu große Last für die hochohmig bereitgestellte Abstimmspannung darstellt? Drei liegen ja hinter wenigstens je 5,6 k + 100 kOhm, nur der vom Trennkreis liegt etwas niederohmiger nur hinter 5,6 k + 39 k. Der käme deshalb für mich als erster in den Fokus.

      Gruß
      Reinhard

      Dieser Beitrag wurde bereits 16 mal editiert, zuletzt von „oldiefan“ ()

      Interessant -- wie gesagt, ich habe noch so einen Kandidaten hier stehen ... aber von einem Rückbau würde ich auch dringend abraten. Die HF-Teile (wie Reinhard schon schrieb) sind empfindlich, mögen das mehrfache Ein- und Auslöten und Einstellen nicht. Bei gut begründetem Verdacht ja, sonst lieber nicht ...

      Frage: Was ist mit T 304 (BF 414) ? Wenn der nicht mehr fit ist, würde da nicht die Amplitude einbrechen, wenn nur ein klitzekleiner Fehler an der nachfolgenden Kapazitätsdiode vorliegt ?

      Besten Gruss,

      Michael

      Dieser Beitrag wurde bereits 1 mal editiert, zuletzt von „kugel-balu“ ()

      T304 hatte ich bislang nicht auf dem Schirm, weil die Empfindlichkeit (bewertet nach nahezu Vollausschlag der Feldstärkeanzeige, 7 LED Segmente bei 1 mV Antennenspannung) über das ganze UKW-Band gut ist.

      Aber sicher ausschliessen mag ich im Moment nur wenig, solange die Ursache noch nicht voll verstanden ist.

      Gruß
      Reinhard
      Reinhard, magst Du wenigstens Pegel messen?

      Das mit VFO oben oder unten ist schon mal geklärt, Kofferradio.
      Wäre auch wirklich ein lustig Ding gewesen, wenn der VFO 10,7 MHz unterhalb schwingt.
      Auf die Feldstärkeanzeige nach ZF gebe ich nicht viel wegen Regelung.
      Es wäre wirklich aussagekräftig, wenn man am Kollektor des T303 (BF240) misst.
      Da geht es niederohmig zu, keine Verfälschung durch Tastkopfkapazität zu befürchten.
      Ersatzweise sollte auch eine Messung am TCA240 gehen, Pin12 oder 13.
      Das ist dann zwar ZF, jedoch reines Mischprodukt ungeregelt.
      Soweit ich es sehe, gibt es keinerlei Regelung bis dahin, auch nicht am FET T302.

      Du schreibst mit Absicht scheinbar, das näher erklärt, Oszillator offensichtlich immer zu hören.
      Das interessiert mich schon, ob der VFO-Pegel je nach Frequenz halbwegs konstant bleibt.
      Wenn der um z.B. 6 dB absackt, könnte es schon Probleme beim Mischen geben.
      Allerdings habe ich mit dem TCA240 keine Erfahrung, müsste ähnlich S042 sein.

      Andreas
      Was bedeutet DL2JAS? Amateurfunk, www.dl2jas.com
      Ich glaub', ich hab's jetzt.
      Viel Wind um "nichts"? :cursing:

      Zunächst habe ich das Tunerkästchen nochmal ausgebaut, um nochmals alles akribisch zu kontrollieren und bei der Gelegenheit auch gleich die Varicap-Diode des Trennstufenkreises zu ersetzen. Es hat nichts verändert.

      Dann bin ich zufällig mit der Hand gegen die Flachbandleitung für die Abstimmspannung am Abstimmspannungs-Poti gekommen, das auf der Achse des Drehkos sitzt. Sofort spielte alles verrückt. Das Kabel ist relativ steif und kann deshalb Druck / Zug auf die drei Lötfahnen am Poti ausüben, was die Gefahr beinhaltet, dass die Vernietung dieser Anschüsse auf der Kohleschichtbahn mechanisch so belastet wird, dass die sichere elektrische Verbindung verlorengeht und unreproduzierbare Kontaktwiderstände entstehen.
      Beim Nachmessen habe ich entsprechend statt der 2,84 V, die ich zuvor für den ganz eingedrehten Drehko nach Service-Anweisung eingestellt hatte, nur noch 2,6 V gemessen. Das nächste mal hätten es vielleicht 2,98 V sein können.

      Ohne konstante, reproduzierbare Abstimmspannung ist jeder Ableich für die Tonne!

      Was zum Schluß wahrscheinlich passiert ist und vermutlich auch schon vorher:
      Duch diesen Kontaktfehler am Abstimmpoti war die anliegende Abstimmspannung für Linksanschlag = ca. 87,3 MHz (= Drehko bis Anschlag eingedreht) falsch. Da der korrekte Abgleich aber darauf aufbaut, konnte die präzise Einstellung an den Bandenden unter diesen Bedingungen nicht mehr gut genug gelingen. Auch wenn der Oszillator noch schwang, war die Synchronisierung mit den übrigen Kreisen dann nicht mehr gut genug.

      Nach Abnehmen der transparenten Plastikabdeckung über dem Abstimmpoti habe ich auf die Nieten, die die Lötfahnen an die Kohleschicht klammern, eine kleine Menge Silberleitlack aufgebracht. So habe ich schon mehrfach an Potis diese Art von Defekten behoben. Wenn man am Flachkabel nicht mehr weiter rumbiegt, hält das.

      Ich denke, die Sache ist damit "gegessen". Das Abstimmpoti-Problem war mir vorher nicht aufgefallen.

      Weil es Andreas interessiert, wie sich die Oszillator-Amplitude, bzw. die ZF-Amplitude am Ausgang PIN 12 des Mischers TDA1571, ändert, habe ich die nun auch gemessen.
      Am Kollektor von T303 konnte ich die Oszillatoramplitude nicht messen, aber an PIN 12 des Mischer-ICs (ZF-Ausgang) ging die ZF-Amplitude sehr gut zu messen. Die Amplitude fällt erwartungsgemäß zu den Bandgrenzen hin ab, aber nicht sehr stark (ca. -3,5 dB).
      Die Abstimmspannung hat den vorgesehenen Verlauf.

      Die Sendereinstellung am unteren Ende (87,5 MHz) hat noch Spielraum bis zu ca. 87,3 MHz und der Skalenzeiger erreicht bei 87,50 MHz und für korrekte Mittenabstimmung nach Tunoskopanzeige die dafür angebrachte Markierung auf der Tuner-Skala.




      Gruß
      Reinhard

      Dieser Beitrag wurde bereits 2 mal editiert, zuletzt von „oldiefan“ ()

      Moin Reinhard,

      also, die Nieten an dem Poti waren lose ? Hmm, das hatte ich eigentlich kontrolliert (mache ich immer, weil das ein Schwachpunkt ist) ... seltsam, aber natürlich nicht auszuschliessen, dass ich nicht genau genug geschaut habe. Heisst das jetzt, Du kannst den Rest zurückbauen und alles sauber abgleichen ? Dann sollte ich bei dem anderen Exemplar dort auch nochmal genauer schauen. So recht einleuchten will mir das aber nicht, denn das Poti macht doch nur die Abstimmspannung, wieso führt das zu schwachem Empfang ?

      Besten Gruss,

      Michael
      Gar fieses Ding!

      Momentan bin ich wieder kurz angebunden, muss noch weg.
      Ich dachte zuerst, TDA1571 sei ein Schreibfehler.
      Auch der ist so ein Mischer wie S042.
      Nicht näher überprüft, ob TCA240 = TDA1571 auch bei den Pins.
      Anbei das Datenblatt, nicht ganz einfach zu finden.

      Andreas
      Dateien
      • tda1571.pdf

        (438,54 kB, 3 mal heruntergeladen, zuletzt: )
      Was bedeutet DL2JAS? Amateurfunk, www.dl2jas.com
    • Benutzer online 11

      11 Besucher