Hallo Forenfreunde,
diese Tage stand ein Grundig Tuner ST 2000 mit einem m.E. ungewöhnlichen Fehler auf meinem Tisch. Michael (kugel-balu) hatte ihn mir anvertraut, vielleicht könnte ich die Ursache finden und beheben?
Ich rücke besser gleich mit dem Ergebnis raus, ich konnte den Fehler bestätigen, aber die Ursache konnte ich nicht finden. Dennoch konnte ich den Fehler selbst beheben. Wie geht denn das? Genau drüber möchte ich berichten.
Vielleicht kann mir einer von Euch den Tip geben, was ich denn evtl. übersehen habe, das letztlich die wahre Ursache gewesen sein könnte?
Ende gut...so sieht er aus, der ST 2000:
Frei nach Wilhelm Busch: "Drei Wochen war der Frosch so krank! Jetzt spielt er wieder, Gott sei Dank!"

Zunächst ein Versuch der Einordnung zum Grundig Tuner ST 2000, ein Gerät der 50 mm slim-line Serie (ca. 1981?)
Er wurde hier im Forum mal kurz erwähnt. Hans (decoder) hatte dazu auch etwas geschrieben.
GRUNDIG SV2000 Verstärker
Hochwertig gebaut, wie der "grössere Bruder" ST 6000, gegenüber dem sich der ST 2000 empfangs- und klangmässig nicht zu verstecken braucht. Er ist - anders als der Mikroprozessor-gesteuerte und mit Synthesizer ausgestattete ST 6000 mit digitaler Abstimmung, noch analog - aber ohne bei der Empfangsleistung einen Kompromiß einzugehen. Die dafür wesentlichen Baugruppen, UKW-Frontend/Mischteil, ZF-Teil und PLL-Stereo-Dekoder sind in ST 2000 und ST 6000 gleich.
Zitat (decoder):
"Beide Linien sind best workmanship!"
Wie im ST 6000 sitzt die große Platine auch beim ST 2000 in einem Sub-Chassis-Rahmen, den man aus der Gehäusewanne leicht herausheben kann und dann an die Lötseite der Hauptplatine mühelos herankommt, so wie auch beim GRUNDIG SXV 6000 Vorverstärker, zu dem er - wie auch der ST 6000 - mit seiner flachen gleichen Bauform perfekt passt. Das macht den Zugang einfach, will man an die Lötseite. Auch die abgeschirmten Module, wie UKW-Frontend/Mischteil (von Grundig immer "Spulensatz" genannt) und ZF-Teil sind nur gesteckt und mit je zwei Schrauben fixiert. Man kommt auch dort ans Innere ohne etwa das Skalenseil abnehmen zu müssen.
Was war das Wehwehchen - der mysteriöse Fehler mit der immer noch nicht aufgeklärten eigentlichen Ursache?
In der Praxis praktisch kein nutzbarer "UKW-Empfang" mehr, höchstens viel zu schwach einige Sender, natürlich auch nicht in Stereo und ausserdem noch bei "falscher Empfangsfrequenz".
Ein auf 94 MHz vom Messsender gesendetes Signal taucht äusserst schwach bei 90 MHz auf der Tuner-Frequenzskala auf.
Die Abstimmspannung von 2,84 V (untere Bandgrenze) und 30,0 V (obere Bandgrenze) ist korrekt und kommt am Frontend/Mischteil so richtig an, wenn man auf die beiden Anschläge einstellt.
Der Skalenzeiger sitzt richtig und deckt den Bereich vom linken bis zum rechten Anschlag richtig ab.
Daraus habe ich geschlossen, dass möglicherweise ein Fehler am UKW-Oszillator vorliegt, der um ca. 4 MHz zu hoher Frequenz schwingt. Um einen empfangenen Sender wiederzugeben, muss daher auf eine um diesen Frequenzversatz kleinere Empfangsfrequenz am Tuner eingestellt werden, sonst kommt die ZF mit 10,7 MHz im Mischer nicht zustande, und nur diese Frequenz kann die anschliessenden Filter zum/ins ZF-Teil passieren. Natürlich sind in dem Fall Antennenkreis, Vorkreis, Zwischenkreis, Mischerkreis um 4 MHz grob fehlabgestimmt. Da aber diese HF-Kreise breitbandig ausgelegt sind, kann immer noch eine Spur des HF-Sendesignals passieren (im genannten Beispiel: Es "kommt noch eine Spur 94 MHz durch", selbst wenn die HF-Kreise auf 90 MHz eingestellt/abgestimmt sind). Tatsächlich war das der Glücksfall, der gleich auf den Oszillatorkreis gedeutet hat. Hätte ich ich gar nichts vom Meßsender empfangen können, wäre diese Eingrenzung auf den oszillator als den Problembereich, die die weitere Arbeit sehr vereinfacht hat, nicht so schnell möglich gewesen.
War diese Interpretation richtig, musste trotz falscher (4 MHz zu großer) Frequenz des Oszillatorkreises, ein Abgleich der übrigen HF-Empfangskreise (Antennenkreis, Vorkreis, Zwischenkreis, Mischerkreis, Trennstufen/Puffer-Kreis) die volle Empfangsempfindlichkeit wieder herstellen. Lediglich die Anzeige des Skalenzeigers auf der Frontskala würde nach wie vor noch nicht stimmen. So war es denn auch. Die Frequenz vom Meßsender konnte mit voller Empfindlichkeit unter diesen Umständen empfangen werden. Die Feldstärke-Anzeige des ST 2000 zeigte nun sieben LED-Segmente bei einer HF-Signalstärke von 1 mV und auch Stereo funktionierte wieder einwandfrei.
Damit war ich überzeugt, dass lediglich der Oszillatorkreis ein "Abstimmproblem" hat und die übrigen HF-Kreise im Frontend/Mischteil sowie das ZF-Teil einwandfrei arbeiten.
Der "mysteriöse Fehler" ist damit als "simple Fehlabstimmung" des Oszillatorkreises identifiziert (was daran mysteriös ist, kommt noch).
Zunächst scheint also die Aufgabe trivial: In dem Fall, dass
a) die Abstimmspannung und dessen Stellbereich stimmen und
b) der Skalenzeiger korrekt sitzt
stimmt man auf beste Übereinstimmung mit der Empfangsfrequenz-Skala des Tuners am Oszillatorkreis mit wechselseitigem, mehrfach wiederholtem Abgleich ab. Man stellt mit Skalenzeiger auf Linksanschlag (87,5 MHz) auf die untere Bandgrenze mit dem Spulenkern der Oszillatorkreis-Spule ein (oberes Maximum) und anschliessend mit Skalenzeiger auf Rechtsanschlag (108 MHz) mit dem Kapazitäts-Trimmer auf das obere Bandende 108 MHz. Man wiederholt das, bis hinreichende Übereinstimmung zwischen Senderfrequenz und Skalenzeiger gegeben ist.
Dieses Verfahren war so (es steht so natürlich auch im Service Manual und ist das Standardverfahren) nicht durchführbar. Lediglich an der Banduntergrenze (87,5 MHz, Linksanschlag Skalenzeiger) war mit dem Spulenkern (Alu-Schraube) der Oszillatorspule der Abgleich möglich. Beim Versuch, mit dem Kapazitätstrimmer anschliessend bei/auf 106 oder 108 MHz (Rechtanschlag) abzugleichen, war bestenfalls eine Annäherung bis auf ca. zwei MHz an die Sollfrequenz möglich. An einem bestimmten maximalen Drehwinkel des Trimmkondensators brach die Empfindlichkeit (der "Empfang") zusammen, ohne sich weiter der Sollfrequenz nähern zu können.
Die erste Vermutung:
Der Kondensator-Trimmer ist evtl. fehlerhaft, man kann evtl. mit ihm nicht mehr den vollen Soll-Kapazitäts-Stellbereich nutzen. Denn die volle Kapazität wird genau bei Kongruenz seiner metallisierten Segmente erreicht. Dreht man im gleichen Drehsinn weiter, sinkt die Kapazität wieder. Um das bei zu hoher Frequenz-Schwingen des Oszillators zu korrigieren, muss die Schwingkreiskapazität vergrössert werden. Reicht der C-Stellbereich dazu nicht aus, wird eben nur eine unzureichende Annäherung (nur bis ca. 2 MHz) erreicht.
Die Messung der Trimmerkapazität soll's klären!
Also Keramiktrimmer (unverstellt) ausgebaut und dessen Kapazität gemessen: Ergebnis ist 6,6 pF. Im Schaltplan ist für diesen Trimmer (C303) der Soll-Stellbereich genannt: 2-6 pF. Also ist der C-Trimmer des Oszillators in Ordnung.
Wenn es an notwendiger Kreis-Kapazität im Oszillatorkreis für die Einstellung (= Verringerung) der Oszillatorfrequenz fehlt und der Trimmkondensator in Ordnung ist, kommen noch die Kapazitätsdiode (Varicap) D302 (BB104 BL bzw. BB204 BL) und der Kreiskerko C302 als evtl. fehlerhaft infrage.
Also D302 ersetzt (Neuteil), C302 ausgelötet und ausgemessen, 4,7 pF korrekt gemessen. Vorsichtshalber auch den Oszillatortransistor (BF240) durch Neuteil ersetzt.
Ergebnis: Keine Änderung des Verhaltens.
Kreis-Kerko und Varicap-Diode sind auch einwandfrei.
Oszillator Transistor ist neu und einwandfrei.
...und trotzdem scheint Kreiskapazität zum erfolgreichen Oszillator-Abgleich bei 108 MHz zu fehlen. Das war bis zu diesem Punkt noch eine Arbeitshypothese. Es ging im nächsten Schritt zur praktischen Bestätigung.
Dazu habe ich Kerkos (oder Kombinationen von zwei Kerkos) mit einer Gesamtkapazität von 0,5 pF; 1,4 pF, 1,9 pF; 2,9 pF und 3,9 pF dem Keramiktrimmer im Oszillatorkreis als Zusatzkapazität parallel gelötet und jeweils erneut Abgleich auf 108 MHz versucht (erforderliche Verbesserung ist 2 MHz):
0,5 pF: kaum Verbesserung erkennbar
1,4 pF: leichte Verbesserung um ungefähr 500 kHz
1,9 pF: deutliche Verbesserung um über 1 MHz
2,9 pF: Passt! Verbesserung um 2 MHz
3,9 pF: Kein Empfang mehr feststellbar; alles "tot"?
Der Idealwert von 2,9 pF wurde mit zwei parallelen Kerkos 1,5 pF // 1,4 pF realisiert.
Aber es gab noch "einen Haken"!
Mit Zusatzkapazitäten von > 1,4 pF gab es - besonders am unteren Ende der Empfangsfrequenzen - einen "toten Bereich", in dem kein Sender mehr "empfangen" wurde. Dieser Bereich dehnte sich mit steigender Zusatzkapazität immer weiter nach höheren Empfangsfrequenzen aus, bis bei 3,9 pF Zusatzkapazität das ganze UKW-Band tot schien.
Mehr oder weniger zufällig habe ich herausgefunden, dass ich das vemeiden kann, wenn ich zusätzlich den Vorwiderstand R305 für die Abstimmspannung direkt vor der Varicap-Diode vergrössere, der lt. Schaltplan 4,7 kOhm hat. Nehme ich stattdessen 6,8 kOhm und die optimale Zusatzkapazität von 2,9 pF, konnte ich zwar noch so abgleichen, dass ich gerade noch auf 88 MHz empfange, aber auf 87,5 MHz ging damit nichts mehr.
Nach weiterer Erhöhung des Widerstands auf 8,2 kOhm war schliesslich auch guter Empfang noch bei 87,5 MHz möglich, also dann über das ganze Band von 87,5-108 MHz bei guter Empfindlichkeit und in Stereo und jetzt natürlich mit korrekter Skalenanzeige am Tuner.
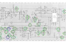
Überprüfte Teile:
grün: ausgebaut, gemessen oder durch Neuteil ersetzt und als einwandfrei befunden
blau: im eingebauten Zustand messen diese Widerstände wegen der Schaltungsumgebung zu niederohmig.
rot: die eingetragenen Änderungen/Ergänzungen haben den Fehler - in Verbindung mit Neuabgleich - behoben

Eingriff im Frontend/Mischteil (FM-Oszillatorkreis) zur Fehlerbehebung:

Ein Feinabgleich der HF-Kreise im Frontend/Mischer wurde abschliessend noch durchgeführt.
Der Tuner funktioniert jetzt wieder einwandfrei.
Was ist denn daran überhaupt noch "mysteriös"?
Mysteriös ist, dass der Oszillatorkreis einen scheinbaren Kapazitätsverlust hatte, ohne dass ein Defekt an kapazitiven Bauteilen des Osillatorkreises und anderer Bauteile (s. Bild) feststellbar war. Ich habe das Symptom durch leichte Erhöhung der Kreiskapazität beseitigen können. Aber die Ursache des aufgetretenen Fehlers erschliesst sich mir nicht. Es war offensichtlich "nichts kaputt".
Übersehe ich etwas?
Wer hat eine Erklärung, was da passiert ist?
Performance nach der Instandsetzung ist hervorragend:
Frequenzgang UKW stereo, 50 µs Preemphasis, bei 1 mV HF, Hub 40 kHz, Pilottonhub 7,5 kHz: 20 Hz - 15 kHz besser als - 1 dB Abweichung
THD UKW stereo, 1 kHz, sonst Bedingungen wie vorstehend: THD 0,15 % (< 0,2 % bei f = 20 Hz - 7,5 kHz)
THD UKW mono, 1 kHz: THD < 0,04 %
UKW stereo Übersprechdämpfung, Bedingungen wie vorstehend: 40 dB bei 1 kHz, 33 dB bei 10 kHz
Pilottondämpfung 19 kHz: -60 dB
Der Rauschteppich liegt sehr tief. Eine Zahlenangabe zum S/N-Abstand kann ich wegen eines 50 Hz Störpeaks aufgrund etwas Einstreuung/Brummeinkopplung, die auf meine Messumstände zurückzuführen sind, hier nicht machen. Nor so viel: Überdurchschnittlich gut!
Gruß
Reinhard
diese Tage stand ein Grundig Tuner ST 2000 mit einem m.E. ungewöhnlichen Fehler auf meinem Tisch. Michael (kugel-balu) hatte ihn mir anvertraut, vielleicht könnte ich die Ursache finden und beheben?
Ich rücke besser gleich mit dem Ergebnis raus, ich konnte den Fehler bestätigen, aber die Ursache konnte ich nicht finden. Dennoch konnte ich den Fehler selbst beheben. Wie geht denn das? Genau drüber möchte ich berichten.
Vielleicht kann mir einer von Euch den Tip geben, was ich denn evtl. übersehen habe, das letztlich die wahre Ursache gewesen sein könnte?
Ende gut...so sieht er aus, der ST 2000:
Frei nach Wilhelm Busch: "Drei Wochen war der Frosch so krank! Jetzt spielt er wieder, Gott sei Dank!"
Zunächst ein Versuch der Einordnung zum Grundig Tuner ST 2000, ein Gerät der 50 mm slim-line Serie (ca. 1981?)
Er wurde hier im Forum mal kurz erwähnt. Hans (decoder) hatte dazu auch etwas geschrieben.
GRUNDIG SV2000 Verstärker
Hochwertig gebaut, wie der "grössere Bruder" ST 6000, gegenüber dem sich der ST 2000 empfangs- und klangmässig nicht zu verstecken braucht. Er ist - anders als der Mikroprozessor-gesteuerte und mit Synthesizer ausgestattete ST 6000 mit digitaler Abstimmung, noch analog - aber ohne bei der Empfangsleistung einen Kompromiß einzugehen. Die dafür wesentlichen Baugruppen, UKW-Frontend/Mischteil, ZF-Teil und PLL-Stereo-Dekoder sind in ST 2000 und ST 6000 gleich.
Zitat (decoder):
"Beide Linien sind best workmanship!"
Wie im ST 6000 sitzt die große Platine auch beim ST 2000 in einem Sub-Chassis-Rahmen, den man aus der Gehäusewanne leicht herausheben kann und dann an die Lötseite der Hauptplatine mühelos herankommt, so wie auch beim GRUNDIG SXV 6000 Vorverstärker, zu dem er - wie auch der ST 6000 - mit seiner flachen gleichen Bauform perfekt passt. Das macht den Zugang einfach, will man an die Lötseite. Auch die abgeschirmten Module, wie UKW-Frontend/Mischteil (von Grundig immer "Spulensatz" genannt) und ZF-Teil sind nur gesteckt und mit je zwei Schrauben fixiert. Man kommt auch dort ans Innere ohne etwa das Skalenseil abnehmen zu müssen.
Was war das Wehwehchen - der mysteriöse Fehler mit der immer noch nicht aufgeklärten eigentlichen Ursache?
In der Praxis praktisch kein nutzbarer "UKW-Empfang" mehr, höchstens viel zu schwach einige Sender, natürlich auch nicht in Stereo und ausserdem noch bei "falscher Empfangsfrequenz".
Ein auf 94 MHz vom Messsender gesendetes Signal taucht äusserst schwach bei 90 MHz auf der Tuner-Frequenzskala auf.
Die Abstimmspannung von 2,84 V (untere Bandgrenze) und 30,0 V (obere Bandgrenze) ist korrekt und kommt am Frontend/Mischteil so richtig an, wenn man auf die beiden Anschläge einstellt.
Der Skalenzeiger sitzt richtig und deckt den Bereich vom linken bis zum rechten Anschlag richtig ab.
Daraus habe ich geschlossen, dass möglicherweise ein Fehler am UKW-Oszillator vorliegt, der um ca. 4 MHz zu hoher Frequenz schwingt. Um einen empfangenen Sender wiederzugeben, muss daher auf eine um diesen Frequenzversatz kleinere Empfangsfrequenz am Tuner eingestellt werden, sonst kommt die ZF mit 10,7 MHz im Mischer nicht zustande, und nur diese Frequenz kann die anschliessenden Filter zum/ins ZF-Teil passieren. Natürlich sind in dem Fall Antennenkreis, Vorkreis, Zwischenkreis, Mischerkreis um 4 MHz grob fehlabgestimmt. Da aber diese HF-Kreise breitbandig ausgelegt sind, kann immer noch eine Spur des HF-Sendesignals passieren (im genannten Beispiel: Es "kommt noch eine Spur 94 MHz durch", selbst wenn die HF-Kreise auf 90 MHz eingestellt/abgestimmt sind). Tatsächlich war das der Glücksfall, der gleich auf den Oszillatorkreis gedeutet hat. Hätte ich ich gar nichts vom Meßsender empfangen können, wäre diese Eingrenzung auf den oszillator als den Problembereich, die die weitere Arbeit sehr vereinfacht hat, nicht so schnell möglich gewesen.
War diese Interpretation richtig, musste trotz falscher (4 MHz zu großer) Frequenz des Oszillatorkreises, ein Abgleich der übrigen HF-Empfangskreise (Antennenkreis, Vorkreis, Zwischenkreis, Mischerkreis, Trennstufen/Puffer-Kreis) die volle Empfangsempfindlichkeit wieder herstellen. Lediglich die Anzeige des Skalenzeigers auf der Frontskala würde nach wie vor noch nicht stimmen. So war es denn auch. Die Frequenz vom Meßsender konnte mit voller Empfindlichkeit unter diesen Umständen empfangen werden. Die Feldstärke-Anzeige des ST 2000 zeigte nun sieben LED-Segmente bei einer HF-Signalstärke von 1 mV und auch Stereo funktionierte wieder einwandfrei.
Damit war ich überzeugt, dass lediglich der Oszillatorkreis ein "Abstimmproblem" hat und die übrigen HF-Kreise im Frontend/Mischteil sowie das ZF-Teil einwandfrei arbeiten.
Der "mysteriöse Fehler" ist damit als "simple Fehlabstimmung" des Oszillatorkreises identifiziert (was daran mysteriös ist, kommt noch).
Zunächst scheint also die Aufgabe trivial: In dem Fall, dass
a) die Abstimmspannung und dessen Stellbereich stimmen und
b) der Skalenzeiger korrekt sitzt
stimmt man auf beste Übereinstimmung mit der Empfangsfrequenz-Skala des Tuners am Oszillatorkreis mit wechselseitigem, mehrfach wiederholtem Abgleich ab. Man stellt mit Skalenzeiger auf Linksanschlag (87,5 MHz) auf die untere Bandgrenze mit dem Spulenkern der Oszillatorkreis-Spule ein (oberes Maximum) und anschliessend mit Skalenzeiger auf Rechtsanschlag (108 MHz) mit dem Kapazitäts-Trimmer auf das obere Bandende 108 MHz. Man wiederholt das, bis hinreichende Übereinstimmung zwischen Senderfrequenz und Skalenzeiger gegeben ist.
Dieses Verfahren war so (es steht so natürlich auch im Service Manual und ist das Standardverfahren) nicht durchführbar. Lediglich an der Banduntergrenze (87,5 MHz, Linksanschlag Skalenzeiger) war mit dem Spulenkern (Alu-Schraube) der Oszillatorspule der Abgleich möglich. Beim Versuch, mit dem Kapazitätstrimmer anschliessend bei/auf 106 oder 108 MHz (Rechtanschlag) abzugleichen, war bestenfalls eine Annäherung bis auf ca. zwei MHz an die Sollfrequenz möglich. An einem bestimmten maximalen Drehwinkel des Trimmkondensators brach die Empfindlichkeit (der "Empfang") zusammen, ohne sich weiter der Sollfrequenz nähern zu können.
Die erste Vermutung:
Der Kondensator-Trimmer ist evtl. fehlerhaft, man kann evtl. mit ihm nicht mehr den vollen Soll-Kapazitäts-Stellbereich nutzen. Denn die volle Kapazität wird genau bei Kongruenz seiner metallisierten Segmente erreicht. Dreht man im gleichen Drehsinn weiter, sinkt die Kapazität wieder. Um das bei zu hoher Frequenz-Schwingen des Oszillators zu korrigieren, muss die Schwingkreiskapazität vergrössert werden. Reicht der C-Stellbereich dazu nicht aus, wird eben nur eine unzureichende Annäherung (nur bis ca. 2 MHz) erreicht.
Die Messung der Trimmerkapazität soll's klären!
Also Keramiktrimmer (unverstellt) ausgebaut und dessen Kapazität gemessen: Ergebnis ist 6,6 pF. Im Schaltplan ist für diesen Trimmer (C303) der Soll-Stellbereich genannt: 2-6 pF. Also ist der C-Trimmer des Oszillators in Ordnung.
Wenn es an notwendiger Kreis-Kapazität im Oszillatorkreis für die Einstellung (= Verringerung) der Oszillatorfrequenz fehlt und der Trimmkondensator in Ordnung ist, kommen noch die Kapazitätsdiode (Varicap) D302 (BB104 BL bzw. BB204 BL) und der Kreiskerko C302 als evtl. fehlerhaft infrage.
Also D302 ersetzt (Neuteil), C302 ausgelötet und ausgemessen, 4,7 pF korrekt gemessen. Vorsichtshalber auch den Oszillatortransistor (BF240) durch Neuteil ersetzt.
Ergebnis: Keine Änderung des Verhaltens.
Kreis-Kerko und Varicap-Diode sind auch einwandfrei.
Oszillator Transistor ist neu und einwandfrei.
...und trotzdem scheint Kreiskapazität zum erfolgreichen Oszillator-Abgleich bei 108 MHz zu fehlen. Das war bis zu diesem Punkt noch eine Arbeitshypothese. Es ging im nächsten Schritt zur praktischen Bestätigung.
Dazu habe ich Kerkos (oder Kombinationen von zwei Kerkos) mit einer Gesamtkapazität von 0,5 pF; 1,4 pF, 1,9 pF; 2,9 pF und 3,9 pF dem Keramiktrimmer im Oszillatorkreis als Zusatzkapazität parallel gelötet und jeweils erneut Abgleich auf 108 MHz versucht (erforderliche Verbesserung ist 2 MHz):
0,5 pF: kaum Verbesserung erkennbar
1,4 pF: leichte Verbesserung um ungefähr 500 kHz
1,9 pF: deutliche Verbesserung um über 1 MHz
2,9 pF: Passt! Verbesserung um 2 MHz
3,9 pF: Kein Empfang mehr feststellbar; alles "tot"?
Der Idealwert von 2,9 pF wurde mit zwei parallelen Kerkos 1,5 pF // 1,4 pF realisiert.
Aber es gab noch "einen Haken"!
Mit Zusatzkapazitäten von > 1,4 pF gab es - besonders am unteren Ende der Empfangsfrequenzen - einen "toten Bereich", in dem kein Sender mehr "empfangen" wurde. Dieser Bereich dehnte sich mit steigender Zusatzkapazität immer weiter nach höheren Empfangsfrequenzen aus, bis bei 3,9 pF Zusatzkapazität das ganze UKW-Band tot schien.
Mehr oder weniger zufällig habe ich herausgefunden, dass ich das vemeiden kann, wenn ich zusätzlich den Vorwiderstand R305 für die Abstimmspannung direkt vor der Varicap-Diode vergrössere, der lt. Schaltplan 4,7 kOhm hat. Nehme ich stattdessen 6,8 kOhm und die optimale Zusatzkapazität von 2,9 pF, konnte ich zwar noch so abgleichen, dass ich gerade noch auf 88 MHz empfange, aber auf 87,5 MHz ging damit nichts mehr.
Nach weiterer Erhöhung des Widerstands auf 8,2 kOhm war schliesslich auch guter Empfang noch bei 87,5 MHz möglich, also dann über das ganze Band von 87,5-108 MHz bei guter Empfindlichkeit und in Stereo und jetzt natürlich mit korrekter Skalenanzeige am Tuner.
Überprüfte Teile:
grün: ausgebaut, gemessen oder durch Neuteil ersetzt und als einwandfrei befunden
blau: im eingebauten Zustand messen diese Widerstände wegen der Schaltungsumgebung zu niederohmig.
rot: die eingetragenen Änderungen/Ergänzungen haben den Fehler - in Verbindung mit Neuabgleich - behoben
Eingriff im Frontend/Mischteil (FM-Oszillatorkreis) zur Fehlerbehebung:
Ein Feinabgleich der HF-Kreise im Frontend/Mischer wurde abschliessend noch durchgeführt.
Der Tuner funktioniert jetzt wieder einwandfrei.
Was ist denn daran überhaupt noch "mysteriös"?
Mysteriös ist, dass der Oszillatorkreis einen scheinbaren Kapazitätsverlust hatte, ohne dass ein Defekt an kapazitiven Bauteilen des Osillatorkreises und anderer Bauteile (s. Bild) feststellbar war. Ich habe das Symptom durch leichte Erhöhung der Kreiskapazität beseitigen können. Aber die Ursache des aufgetretenen Fehlers erschliesst sich mir nicht. Es war offensichtlich "nichts kaputt".
Übersehe ich etwas?
Wer hat eine Erklärung, was da passiert ist?
Performance nach der Instandsetzung ist hervorragend:
Frequenzgang UKW stereo, 50 µs Preemphasis, bei 1 mV HF, Hub 40 kHz, Pilottonhub 7,5 kHz: 20 Hz - 15 kHz besser als - 1 dB Abweichung
THD UKW stereo, 1 kHz, sonst Bedingungen wie vorstehend: THD 0,15 % (< 0,2 % bei f = 20 Hz - 7,5 kHz)
THD UKW mono, 1 kHz: THD < 0,04 %
UKW stereo Übersprechdämpfung, Bedingungen wie vorstehend: 40 dB bei 1 kHz, 33 dB bei 10 kHz
Pilottondämpfung 19 kHz: -60 dB
Der Rauschteppich liegt sehr tief. Eine Zahlenangabe zum S/N-Abstand kann ich wegen eines 50 Hz Störpeaks aufgrund etwas Einstreuung/Brummeinkopplung, die auf meine Messumstände zurückzuführen sind, hier nicht machen. Nor so viel: Überdurchschnittlich gut!
Gruß
Reinhard
Dieser Beitrag wurde bereits 7 mal editiert, zuletzt von „oldiefan“ ()
