Braun Regie 550D schlechter UKW-Empfang

      Nach meiner bisherigen Erfahrung mit solcher Art von TOKO IFT ZF-Filtern für 10,7 MHz mit primärseitigem Mittenabgriff, ca. 2 x 6-7 Windungen primär, ca. 1-3 Windungen sekundär:

      Eingangsimpedanz (@ 10,7 MHz) ca. 10-15 kOhm
      Ausgangsimpedanz (@ 10,7 MHz) ca. 220-300 Ohm

      Es gibt allerdings viele Varianten. Die genannten Werte sind aber häufig.
      Und Eingangsimpedanz von 10 kOhm für das Filter bedeutet nicht, dass in der Schaltung tatsächlich die Quellimpedanz darauf wirklich angepasst sein muss. Vielleicht wird eine niederohmigere Fehlanpassung bewusst zur Verbreiterung der Filter-Duchlassfunktion benutzt?

      Besten Gruß
      Reinhard

      Nachtrag:
      Ich habe mal die Impedanzen bei meinen früheren Simulationen solch eines ZF-Filters FI beim Grundig Satellit 700 nachgesehen:
      Die Eingangsimpedanz bei 10,7 MHz) war je nach gewählter Kombination von Kreiskapazität und Induktivität in der Simulation im Bereich von ca. 3 kOhm bis 5,5 kOhm.

      Filterhersteller geben von 1-10 kOhm Eingangsimpedanz an.
      Sekundär (die Seite mit nur 1-3 Windungen): wird immer um ca. 300 Ohm genannt



      Dieser Beitrag wurde bereits 5 mal editiert, zuletzt von „oldiefan“ ()

      Reinhard, das bringt schon was!

      Heißt im Klartext, Ausgangsimpedanz gut getroffen, Eingangsimpedanz deutlich daneben.
      Problem hier, kein normales Filter, Eingang symmetrisch.

      Michael, wiederhole die letzte Messreihe.
      Du nimmst dann am Koax 3,3 kΩ statt 220 Ω in Serie.
      Das ist Faktor 15, wesentlich näher an 10 kΩ, sollte hier bei der Betrachtung passen.
      Es geht eher um die Tendenz, keine exakte Nachbildung.
      Am Ausgang Fi102 als Abschluss wieder 220 Ω und offen zum Vergleich.
      Jetzt müssen die Unterschiede offen und mit Last wesentlich deutlicher werden.

      Andreas
      Was bedeutet DL2JAS? Amateurfunk, www.dl2jas.com
      Hallo Andreas,

      hier die neuen Messungen (sind aber wieder nicht so wie von Dir erwartet, also halbe Spannung bei der zweiten Meßreihe)

      FG: 10,7MHz, LOAD=50R, AMPL=100mVpp
      50R Koaxkabel mit Serienschaltung 2x 10nF + 3k3
      Tastkopf 1:10 (Meßwerte bereits umgerechnet)

      Messung an Pin2 und 3: 100mVss
      Messung an C114/Fi102 Pin2: 40mVss
      Messung an C114/Fi101 Pin9: 40mVss
      Messung an Fi102 Pin4: 30mVss

      jetzt 220R von Fi102 Pin4 gegen GND:
      Messung an Pin2 und 3: 100mVss
      Messung an C114/Fi102 Pin2: 30mVss
      Messung an C114/Fi101 Pin9: 40mVss
      Messung an Fi102 Pin4: 20mVss

      Viele Grüße
      Michael

      Dieser Beitrag wurde bereits 1 mal editiert, zuletzt von „easystreet“ ()

      Nach m.E. sind Filter Fi101 und Fi102 in Ordnung und SO42P ist defekt.

      Wäre Fi101 defekt, wären an PIN 9, Ausgang von Fi101 nicht 40 mV (-8 dB) messbar, sondern erheblich weniger.
      In Filter Fi102 gehen dann nochmal 6 dB verloren, ein plausibler Verlust. Deshalb würde ich auch FI102 für unverdächtig ansehen.

      Gruß
      Reinhard
      Messwerte schon deutlich aussagekräftiger!

      Vermutlich kommen die Wunschwerte mit 10 kΩ statt 3,3 kΩ in Serie zum Koax.
      Darauf verzichten wir, würde ich selbst vermutlich aus Neugier machen.

      30 mV statt erwarteter 20 mV an Beinchen 4 von Fi102 passt schon mal gut.
      Auch erwartete ich mit Last einen deutlichen Unterschied vor und hinter C114.
      Im Leerlauf müssen beide Spannungen gleich oder ähnlich sein, gegeben.

      Kommen wir zur Kür, Filter auf Resonanzmitte messen.
      Die Messanordnung bleibt so, Du misst nur mit 220 Ω gegen GND an Fi102.
      Du misst nur am Ausgang, also über 220 Ω an Pin4 von Fi102.
      Heißt also, Messung offen ohne 220 Ω an Fi102 entfällt.
      Drehe den Generator so etwa von 7 bis 15 MHz durch.
      Ich erwarte das Spannungsmaximum bei ungefähr 10,7 MHz, vermutlich nicht exakt.
      Das deswegen, weil die Messbedingungen nicht ideal sind, z.B. durch Kapazität Tastkopf.
      Schreibe auf, bei welcher Frequenz das Maximum ist und welche Spannung.
      Suche die beiden Punkte -6 dB, also nur noch halbe Spannung, Frequenz angeben.
      Bei 7 und 15 MHz wird vermutlich kaum noch was kommen, eher Strich auf dem Schirm.

      Andreas
      Was bedeutet DL2JAS? Amateurfunk, www.dl2jas.com
      F101 zusammen mit Fi102 ist vermutlich sehr breitbandig. Ich rechne mit einer -6 dB Bandbreite von 20-25 MHz oder sogar mehr (in diesem Fall Bandfilter!). Ist bei HiFi anders als bei viel schmalbandigeren FM-Empfängern, die Funkamateure nutzen.
      Anders gesagt: Das 10.7 MHz Maximum wird im Bereich 7-15 MHz nicht ausgeprägt sein, nicht so einfach erkennbar.
      In erster Linie geht es an dieser Stelle um Unterdrückung der Empfangs- und Oszillatorfrequenz und darum, Impedanztransformation zu erreichen.

      Die wesentliche ZF-Bandbreitenbegrenzung erfolgt erst im ZF-Verstärker.

      Gruß
      Reinhard

      Dieser Beitrag wurde bereits 4 mal editiert, zuletzt von „oldiefan“ ()

      Reinhard, abwarten!

      Ist schon richtig, teilweise sehe ich HF durch die Amateurfunkbrille, da geht es schmalbandiger zu.
      Ja, am Anfang sollen erst mal die ungewollten Mischprodukte weg.
      Mehrere Beiträge zuvor schrieb ich auch, Fi101 ist eher ein Balun, notwendig für den S042.

      Reinhard, teilweise wette ich gerne.
      Wir können um einen S042P wetten, werde demnächst bei box73.de bestellen.
      Ich behaupte, innerhalb 7 bis 15 MHz wird das Signal mindestens 6 dB kleiner gegenüber Maximum.
      Auch ich rechne mit keinem scharfen Maximum wie an einem ZF-Ausgang.
      Hältst Du dagegen?
      Könnte interessant werden, Du hast vermutlich schon mehr ZF-Stufen als ich auf Optimum gebracht.
      Ich habe, gerade Amateurfunk, schon einige nicht alltägliche Filter/Anpassungen realisiert.

      Andreas
      Was bedeutet DL2JAS? Amateurfunk, www.dl2jas.com
      Hallo Andreas, hallo Reinhard,

      hier die nächsten Messungen:

      FG: Frequenzbereich 7MHz - 15MHz, LOAD=50R, AMPL=100mVpp
      50R Koaxkabel mit Serienschaltung 2x 10nF + 3k3
      Tastkopf 1:10 (Meßwerte bereits umgerechnet)

      Messung am Ausgang, über 220 Ω an Pin4 von Fi102.

      Wie erwartet kommt bei 7MHz und 15MHz nur noch n Strich am Oszi

      Das Maximum (20mVss) liegt bei 10,7MHz. Bei 10,6MHz bzw. 10,8MHz reduziert sich das Signal bereits.
      Spannungswerte abzulesen ist aber so gut wie unmöglich. Bin schon auf dem kleinsten Meßbereich 5mV/Div

      Ich hab diese Messung mit 300mVpp wiederholt um etwas mehr am Ausgang zu sehen.

      10,6MHz: 45mVss
      10,7MHz: 50mVss
      10,8MHz: 40mVss

      Mittlerweile habe ich auch das Rigol ausgeliehen, muß mich aber erst einarbeiten. z.B. sehe ich beim 10,7MHz Signal alles mögliche an Störungen.

      Grüße
      Michael

      Dieser Beitrag wurde bereits 2 mal editiert, zuletzt von „easystreet“ ()

      Prima!

      Diesmal lief es eher schon besser als ich dachte.
      Die Resonanz bei 10,7 MHz ist klar erkennbar, sogar scharf.
      Heißt, die Filter machen was sie sollen, auch der eventuell mögliche Fehler ausgeschlossen.

      Löte jetzt den S042P ein.
      Nicht vorsorglich noch den BF900 wechseln.
      Der hat zwar ESD-Schutz, man muss aber nichts riskieren.

      Wenn dann der Braun funktioniert, noch nicht zusammenbauen.
      Ein paar Messungen sollst Du noch machen, gerade für spätere Leser.
      Es geht um die Pegel ab Transistor T301, die eigentliche ZF-Stufe.

      Andreas
      Was bedeutet DL2JAS? Amateurfunk, www.dl2jas.com
      Hallo,

      war ein paar Tage unterwegs, drum erst jetzt ein Update.

      Zuerst gleich mal die erfreuliche Nachricht: der UKW-Empfang funktioniert wieder 1A :) :)

      Jedoch waren wir evtl. auf einer falschen Fährte mit dem SO42P ?( denn...

      - neuen SO42P eingelötet
      - FM-Baustein wieder auf die obere Leiterplatte gelötet
      - Test: UKW-Empfang genauso schlecht wie vorher, zusätzlich sehr leise :(
      - dann ist mir aufgefallen: wenn ich den Stecker St502 etwas bewege erhöht sich die Lautstärke (nicht die Pegelanzeige)
      - Lötstellen des St502 nachgelötet, Kontakte mit Alkohol und Kontaktspray (Teslanol) behandelt, nun blieb die Lautstärke konstant gut
      - dann ist mir aufgefallen: wenn ich die obere Leiterplatte im linken Bereich etwas "durchbiege" geht die Pegelanzeige hoch
      - ich konnte dies im Bereich des St502 eingrenzen
      - alle Lötstellen in diesem Bereich nachgelötet - keine Verbesserung
      - Antennenkabel (auf der Unterseite) neu angelötet - keine Verbesserung
      - FM-Baustein ausgelötet und alle Lötstellen in der linken Platinenhälfte nachgelötet
      - FM-Baustein wieder eingelötet
      - Test: der UKW-Empfang funktioniert wieder 1A :)

      So bleibt nun die Frage offen, ob eine kalte Lötstelle im FM-Baustein der eigentliche Fehler war, oder ob doch der SO42P einen Defekt hat :?:

      Das Anzeigenmodul hatte ich ebenfalls nochmals ausgebaut und alle Lötstellen unter der Lupe untersucht. Dabei konnte ich keine kalte Lötstelle identifizieren. Ich habe dann alles im Bereich der Anzeige und Spannungsversorgung nachgelötet.
      Nun funktioniert auch das wie es soll.

      Viele Grüße
      Michael

      easystreet schrieb:

      dann ist mir aufgefallen: wenn ich den Stecker St502 etwas bewege erhöht sich die Lautstärke (nicht die Pegelanzeige)
      - Lötstellen des St502 nachgelötet, Kontakte mit Alkohol und Kontaktspray (Teslanol) behandelt, nun blieb die Lautstärke konstant gut



      Hallo Michael,

      das hat aber mit dem Radioteil nichts zu tun, denn Stecker St502 besorgt die Verbindung vom NF-Vorverstärker zu den Endstufen. Wenn dort schlechter Kontakt ist, dann bei allen Quellen, nicht nur UKW. Somit interessiert das auch die Feldstärkeanzeige nicht.


      easystreet schrieb:

      dann ist mir aufgefallen: wenn ich die obere Leiterplatte im linken Bereich etwas "durchbiege" geht die Pegelanzeige hoch
      - FM-Baustein ausgelötet und alle Lötstellen in der linken Platinenhälfte nachgelötet
      - FM-Baustein wieder eingelötet
      - Test: der UKW-Empfang funktioniert wieder 1A


      Das sieht sehr nach schlechter Lötstelle auf dem FM-Empfangsteil aus, nicht nach einem Defekt am IC. Denn der liesse sich eher nicht mit Durchbiegen der Platine provozieren.

      Letztlich mit Geduld Fehler gefunden und behoben! So soll es sein!

      Gruß
      Reinhard
      Glückwunsch!

      Reinhard hat schon ein paar Zeilen geschrieben.
      Ich habe weiterhin den ausgewechselten S042 im Verdacht.
      Damals bei der Impedanzmessung kam ein sehr niedriger Wert heraus.
      Möglich ist das, wenn einer der Transistoren im IC einen Knacks weg hat.

      Wenn Du Pech hast, hast Du einen eventuell schwer erkennbaren Platinenriss.
      Noch würde ich nichts machen, lediglich im Hinterkopf behalten.
      Sollte dem so sein, die Stellen großflächig mit Silberdraht nachziehen.
      Macht man das nicht, lötet nur kurz über, kann es später da wieder aufreißen.

      Mache bitte noch ein paar Pegelmessungen für die Nachwelt!
      Die Werte nicht nur aufschreiben, auch in einen Schaltplanausschnitt eintragen.
      Du misst wieder möglichst mit Tastkopf 1:10, starker Ortssender.
      Miss die Messpunkte 3 und 4, also ZF vorne und hinten.
      Dann direkt an den Filterausgängen von Fi301 und Fi302 an Pin9, also jeweils vor den Kondensatoren 15 pF.
      Auch am Kollektor des T301 messen, damit man weiß, wie hoch die Verstärkung sein soll.
      Das hilft späteren Reparateuren, wenn die irgendwo in der ZF einen Fehler suchen.

      Andreas
      Was bedeutet DL2JAS? Amateurfunk, www.dl2jas.com
      Hallo Andreas,

      :) dank eurer Hilfe hat's geklappt (und ich hab auch einiges gelernt).

      Hier die Messungen:
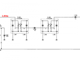
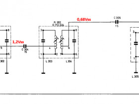
      Ortssender BR3, 98,50MHz, Feldstärkenanzeige über 4 (=max. Ausschlag)
      Tastkopf 1:10
      Grundsignal 10,7MHz

      MP3: 40mVss
      MP4: 145mVss
      T301 Kollektor: 2,45Vss

      An den Filterausgängen (bzw. Kerkos) kann ich nicht so ohne weiteres messen. Die Kerkos sind komplett bündig eingelötet

      550D_Schaltplanauszug_ZF.pdf

      Viele Grüße
      Michael
      Prima!

      Die Pegel zwischen den Filtern wären das I-Tüpfelchen gewesen, nicht wild.
      Die kann man sich auch denken, Erfahrungswert pro Filter 6 bis 8 dB weniger.
      Für spätere Leser, Michael wird die ZF nicht neu abgeglichen haben, Werkseinstellung Braun.
      Anbei der Schaltplanausschnitt von Michael, jetzt direkt anklickbar.

      Andreas
      Bilder
      • zf550pegel.png

        81,93 kB, 1.000×400, 9 mal angesehen
      Was bedeutet DL2JAS? Amateurfunk, www.dl2jas.com
    • Benutzer online 3

      3 Besucher