Saba Freiburg W4US
-
-
-
-
-
Hallo Freunde der Technik aus dem Schwarzwald.
Es ist schon eine Freude und Ehre, an so einem Tag Anerkennung und Sympathie zu genießen.
Meinen G.Tag hatte ich eigentlich eingetragen, dass Leser ersehen koennen, meine ich das was ich sage, oder kann ich das auch erlebt haben.
Viele von Euch sind ja jünger als die Objekte um die sich hier alles dreht.
Auf jeden Fall habe ich mich riesig gefreut und das ist ja auch was heutzutage.
Daher sagt Danke der Hans -
Hallo Sabafreunde,
zunächst möchte auch ich Mike nachträglich zum Geburtstag gratulieren und ihm weiterhin kreative Gedankengänge wünschen, welche häufig zum allgemeinen Nutzen hier im Forum gereichen. Sorry, ich bin aus Versehen in die indirekte Anrede verfallen, also noch mal direkt: Hans, ich wünsche Dir nachträglich alles Gute und vor allem "ewige Gesundheit" zum Geburtstag.
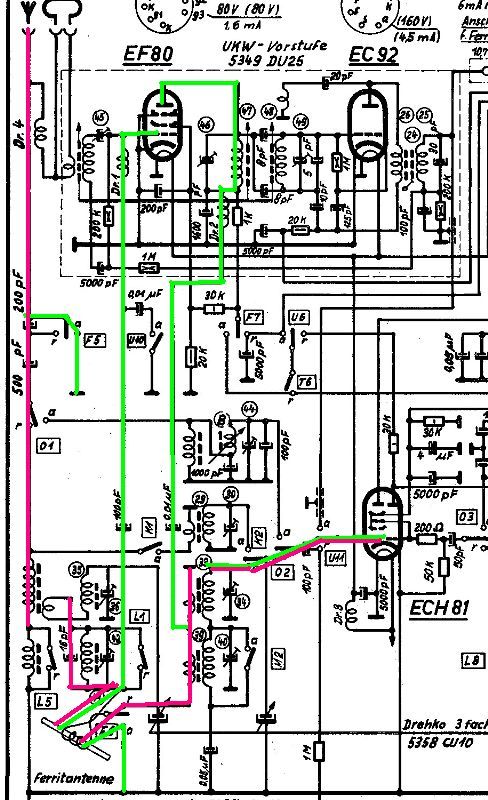
Saba Freiburg W4US, durch diesen Tread wurde ich ab post101 auf die ausgefeilte AM- Eingangsschaltung aufmerksam und neugierig gemacht. Nun fiel mir ein Bodensee WIII zu einem erschwinglichen Kurs in die Hände – dieser ist bis auf den NF-Verstärker schaltungstechnisch voll mit dem Freiburg WIII identisch. Nach dem Wechsel der wichtigsten Kondensatoren im NF-Teil war zufriedenstellender UKW-Empfang gegeben, jedoch in den AM-Bereichen war „tote Hose“.
Nun ging es an die Fehlersuche und nachdem ZF Und Oszillator als Fehlerursache ausschieden, musste ich mich mit den Eingangskreisen befassen. Dabei fiel mir dann auf, dass der in Post 111 dargestellte Signalverlauf noch einer Ergänzung und eines weiteren Denkanstoßes bedarf.
Der dort eingetragene Signalweg gilt nur bei Ferritantennenbetrieb, die Außenantenne ist dabei über den Schalter F5a kurzgeschlossen. Und mittels F6a wird die Ferritantenne in den Fußpunkt des abgestimmten Eingangskreises eingekoppelt und folgt dann dem grün eingezeichneten Verlauf. Und man erkennt, wie Mike schon bemerkte, den abgestimmten Gitter- und Anodenkreis der EF80.
Bei Außenantenne geht das Signal einen etwas anderen Weg: von der Antenne (grün) kommend führt der Weg jetzt vom Fußpunkt des Eingangskreises über die Induktivität der Ferritantenne und über F6r zu den Koppelspulen des zweiten abgestimmten Eingangskreises und geht dann (grün) zum Gitter der Mischröhre.
Bei Außenantennenbetrieb erfolgt keine Vorverstärkung mittels der EF80; das Signal läuft jetzt -bei Mittel und Langwelle- über ein induktiv gekoppeltes Zweikreisfilter direkt zur Mischröhre. Bei Kurzwelle (und beim Ortssender) wird nur ein einfacher Eingangskreis genutzt.
Ich kam auf die erweiterte Betrachtungsweise, als ich feststellte, dass bei „normalem“ AM Betrieb keine Anodenspannung an der EF80 zu messen ist. Sie wird nämlich erst mit F7a dazugeschaltet und das gab mir Anlass zum nachzudenken…
Fazit viele neue Erkenntnisse kommen oft bei systematischer und intensiver Fehlersuche, bei welcher man gezwungen ist tief in die Funktion der Schaltung einzudringen. Leider gelingt es mir noch nicht so schöne Bilder wie Achim einzublenden, aber ich hoffe meine Beschreibung und Gedankengänge sind auch an seinem Bild (111) nachvollziehbar.
Die eigentliche Fehlerquelle waren oxydierte Kontakte des Wellenschalters (Tastatur) und hätte gar nicht so umfangreiche Überlegungen erfordert, aber nur so konnte ich mit dem Ohmmeter konkret einzelne Kontaktfehler im Signalweg nachweisen. Und das befriedigt weit mehr als einfach global mit Kotaktspray über die Tastatur herzufallen – das werde ich jetzt aber trotzdem tun müssen und ich denke Tuner 600 sollte für diesen Zweck recht gut geeignet sein.
Ich bedanke mich bei den aktiven Forenmitgliedern für die vielen Anregungen und hoffe, dass die hier von mir beschrieben Vorgänge auch deren Zustimmung oder Kritik finden – man lernt ja immer wieder Neues aus der Zeit der Röhrentechnik dazu.
Freundliche Grüße an alle, PeterFreundliche Grüsse, sagnix -
Hallo Peter,
das habe ich gerade nochmal nachvollzogen - Du hast vollkommen Recht!
Man muss, besonders bei AM-Teilen mit mehreren Wellenbereichen, FA etc, JEDEN Schalter genauestens abklären, sonst landet man an einer anderen Stelle.
Die Deaktivierung der Vorstufe bie "Ortssender"war mir noch aufgefallen - ist ja auch logisch, bei den anderen Schaltern dachte ich "die stehen schon richtig"...
Ich hatte inzwischen lange überlegt, warum bei meinem WII und WIII keinerlei Unterschied in der AM Empfangsleistung feststellbar ist, wo doch der WIII die zusätzliche Vorstufe hat. (Ich hatte mit Außenantenne verglichen - die FA benutze ich nie)
Jetzt ist klar warum!
Klappe, die Dritte:
Achim -
Hallo Achim,
genau so meinte ich es, der rote Signalverlauf entspricht dem mit Außenantenne, der güne mit Ferritantenne. Natürlich sind in beiden Fällen die zwei Abstimmkreise mit ihren Drehkos an dem Geschehen beteiligt, aber hier geht es ja vordergründig um den prinzipiellen Signalweg, welcher hier anschaulich nachvollziehbar ist.
Ich glaube so sind wir den Geheimnissen dieses Gerätes wieder einen kleinen Schritt näher gekommen.
Danke für das neue Bild, Grüße, Peter.Freundliche Grüsse, sagnix -
-
Hallo Peter Sagnix,
von Kontaktspray würde ich wegen schlechter Erfahrung damit beim WIII dringend abraten.Ich habe mal beim WIII Kontaktspray verwendet,mit dem Ergebnis,daß sich die alten Pertinaxstreifen damit vollgesaugt haben und es anschliessend Probleme gab.Wie schon oft geschrieben gibt es gerade bei den WIII Modellen die gute Möglichkeit sämtlich Kontaktschienen auszubauen,dabei kann man die Kontakte der Schieber und die dazugehörigen Kontaktzungen wirklich gut von oben reinigen und hat dadurch nachhaltig und dauerhaft Ruhe im Tastenaggregat.
Gruß,
Peter Skyline -
Hallo Peter (Skyline),
danke für deinen warnenden Hinweis und nun gleich einige Fragen:
1) Kann man denn beim WIII die Kotaktschieber aus bauen, ohne alles abzulöten?
2) Mit welchem Mittel reinigst du dann die Kontakte?
3) Wo wurde diese Vorgehensweise schon einmal beschrieben?
Freundliche Grüße, sagnixFreundliche Grüsse, sagnix -
Hallo Peter(sagnix)
wenn Du die Skalenscheibe und das dahinter befindliche Papier entfernt hast siehst Du das Tastenaggregat. Beim FB WIII hast Du jede menge Platz, nicht wie bei den anderen nur die Montageöffnung. Weiter gehts, Du entfernst dann die Tastenveriegelung, ein längliches Blech, gehalten von einer Achse. An den beiden äußeren Enden der Achse die Sicherungsringe entfernen und Du kannst sie nun nach einer Seite herausschieben. Pass aber auf die Drahtfeder auf, die sich rechts auf der Achse befindet, dass Du sie nicht verlierst und merk Dir wie sie befestigt ist. Wenn das Blech und Die Achse entfent sind kannst Du nun die einzelnen Kontacktschieber nach oben herausnehmen. Du musst Dir nicht unbedingt merken an welchen Platz sie gehören, da sich das nach der Reinigung beim späteren Zusammenbau aus den gegenüberliegenden Kontakt ergibt. Die Kontaktschieber haben 1-4 Schwerter die an unterschiedlichen Stellen plaziert sind und lassen sich daher auch wieder gut zuordnen. Manche Tasten bewegen 2 dieser Schieber die FM Taste sogar 3, hier musst Du nun mehr Aufmeksamkeit wittmen, da die Kontaktschwerter sich nicht mittig am Schieber und sich mehrere mit 4 Schwertern im Tasteraggregat befinden. Ist aber auch kein Problem, da alle Schieber mit "L" (Links) und "R" (Rechts) gekennzeichnet sind. Merke, Sieber mit Kennzeichnung "L" weden vom Mitnehmer (an Taste Links) betätigt "R" ist nun bestimmt auch klar.
Reinigung der Schieber bzw. der Kontaktschwerter.
Dazu benutze ich feine Stahlwolle 3x0 und etwas Spühlmittel, später mit klarem Waser abspühlen.
Reinigung der Kontaktfedern im Tastenaggregat.
Hierzu verwende ich eine ausgediente Zahnbürste, die Borsten etwas gekürzt und den Bürstenkopf geschmählert. Nun sprühe ich in den Bürstekopf Kontakt 60 und fahre damit zwichen den Kontaktfedern hin und her, ab und zu etwas K-60 nachsprühen. Sind nun alle Reihen einmal so behandelt worden lasse ich das K-60 ca 10min einwirken und wiederhole die Prozedur nocheinmal. Danach, und das ist wichtig, muss das K-60 wieder entfernt werden, dazu verwende ich Bremsenreiniger und spühle damit kräftig aus, macht man am Besten draußen.
Die Kontaktfedern sind nun blitzblank sauber und man kann nun wieder alles zusammenbauen. Beim Zusammenbau darauf achten das die Schwerter auch zwichen den Kontaktfeder laufen, gutes Licht ist sehr hilfreich.Nur wer gegen den Strom schwimmt gelangt zur Quelle, tote Fische schwimmen mit dem Strom!
Gruß "Plastik" Franz -
-
Hallo Peter(sagnix)
hab noch ne Kleinigkeit vergessen zu erwähnen, wenn Du die Schieber entfernt hast, überprüfe bitte die Kontaktfedern im Tastenaggregat. Wie Du siehst sind sie beidseitig an den Pertinaxstreifen befestigt, manchmal ist der eine oder andere abgebrochen, also genau nachsehen. Wie Du Dir sicherlich vorstellen kannst können diese defekten Kontaktfedern ungewollte Verbindungen im Aggregat herstellen. Ist dem so, dann wird Dir nichts anderes übrig bleiben als auch das Unterteil auszulöten und zu ersetzen, ggf. kann man auch nur einzelne Kontaktfedern ersetzen, aber auch hier aufpassen, es gibt rechte und linke. In beiden Fällen kommst Du aber um das Auslöten nicht drumherum.Nur wer gegen den Strom schwimmt gelangt zur Quelle, tote Fische schwimmen mit dem Strom!
Gruß "Plastik" Franz -
Nachdem anderenorts zum Freiburg W / W10 / W4US die Frage aufgetaucht ist, welche UKW Nachrüstteile es gab und ob es solche mit und ohne eigenes Netzteil gab und wenn ja, warum, bietet es sich an die bekannten Informationen hierzu in diesem "bewährten" Freiburg W Thread unterzubringen.
In Post 051 hat Hans die einzelnen Varianten im Zeitablauf schon vorgestellt und skizziert.
Interessant wäre weiterhin, vorhandene Einbauanleitungen zu dokumentieren,
Varianten der Bausteine - mit und ohne Netzteil - zu benennen und
Informationen über die Einsatzmöglichkeiten der UKW Bausteine in den Geräten anderer Marken, was ja durch den eigenwilligen Antriieb der Saba Geräte nicht unbedingt an Kompatibilität denken lässt.Achim -
-
Hallo,
ich freue mich, daß inzwischen noch interessante Beiträge hinzugekommen sind !
Hier liegt immer noch die Einbauanleitung des UKW SIII, da sind - wenn ich es recht erinnere - die diversen Kleinteile abgebildet. Ich hoffe, endlich am Wochenende die bereits fertigen Scans nachbearbeiten und hochladen zu können. Am besten dann in den Download-Bereich, oder ?
Btw., wäre das als .png-Dateien sinnvoll, wie im Radiomuseum ?
Wenn ein Posting in diesem thread gewünscht wird, mache ich das aber genauso gerne.
Viele Grüße
EberhardViele Grüße
Eberhard -
-
Das Format PNG ist meist sinnvoll, da es nicht zu Datenverlust führt.
Aber bitte etwas aufpassen. PNG kann sehr groß werden, wenn man z.B. alle Farben zulässt. Auch GIF ist ein sehr schönes Format, was ich bei schwarz/weiß oder ganz wenigen Farben bevorzuge.
Andreas, DL2JASWas bedeutet DL2JAS? Amateurfunk, www.dl2jas.com -
Danke für Eure raschen Antworten ! Dann versuche ich es zunächst einmal mit dem Titelblatt.
edit: ersten Versuch wegen Überbreite gelöscht.

Gruß Eberhard
Da die Dateien gar nicht so schrecklich groß sind, folgen nun noch die weiteren Seiten - die Abgleichanleitung lasse ich hier im thread weg, sie wird aber im natürlich Downloadbereich mit hochgeladen.


Viele Grüße
Eberhard
-
Benutzer online 14
14 Besucher
